BOGOS | Buy One Get One Deals Shop Now
CLOSE
Shipping to US Flag United States
Free shipping over $79
My Ride: 2006 Yamaha RAPTOR 700
Fast Cash Week | Earn $25 Fast Cash When You Spend $199 Learn More

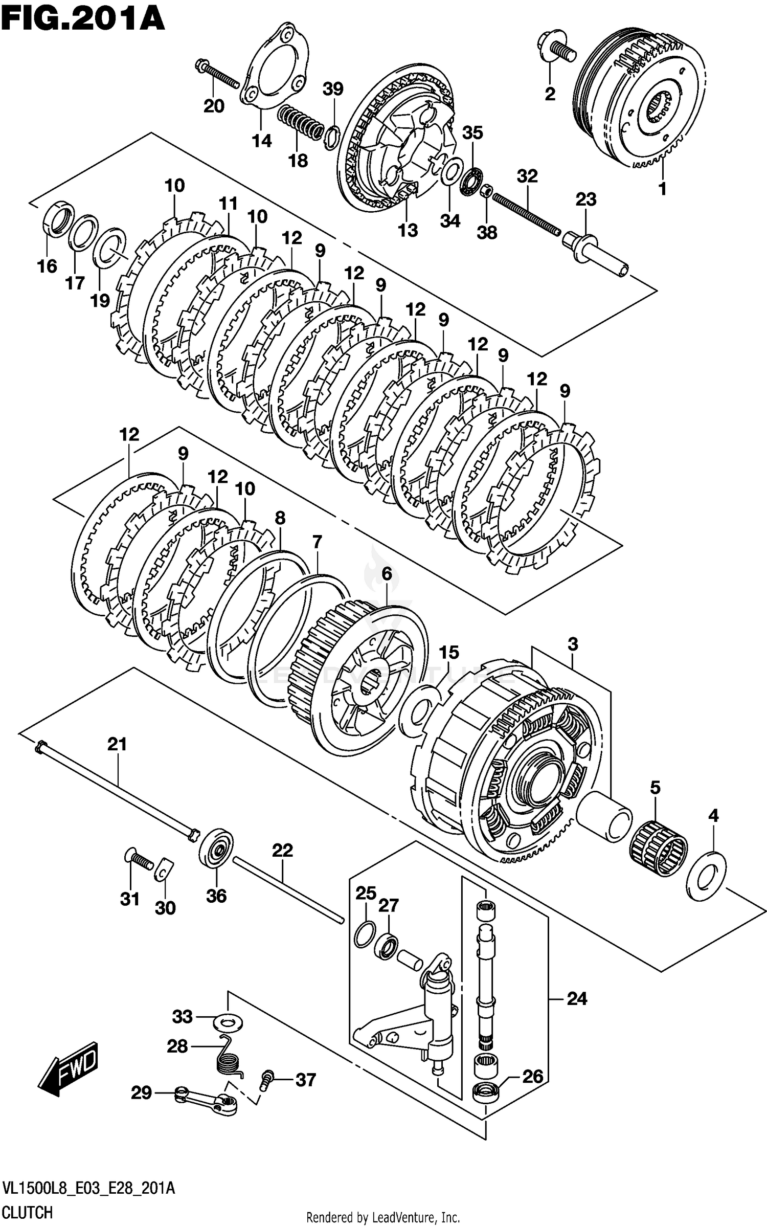
2018 Suzuki VL1500B CLUTCH

Set this as my ride
CLUTCH

WARNING Cancer and Reproductive Harm www.P65Warnings.ca.gov.

All 2018 Suzuki VL1500B Part Groups
Added to your cart
CLOSE