Renthal Deal! Up To 10% Off Shop Now
CLOSE
Shipping to US Flag United States
Free shipping over $79
My Ride: 2017 Can-Am OUTLANDER 650
Moto Madness Sale | Get Up To 65% Off Parts & Gear Shop Now

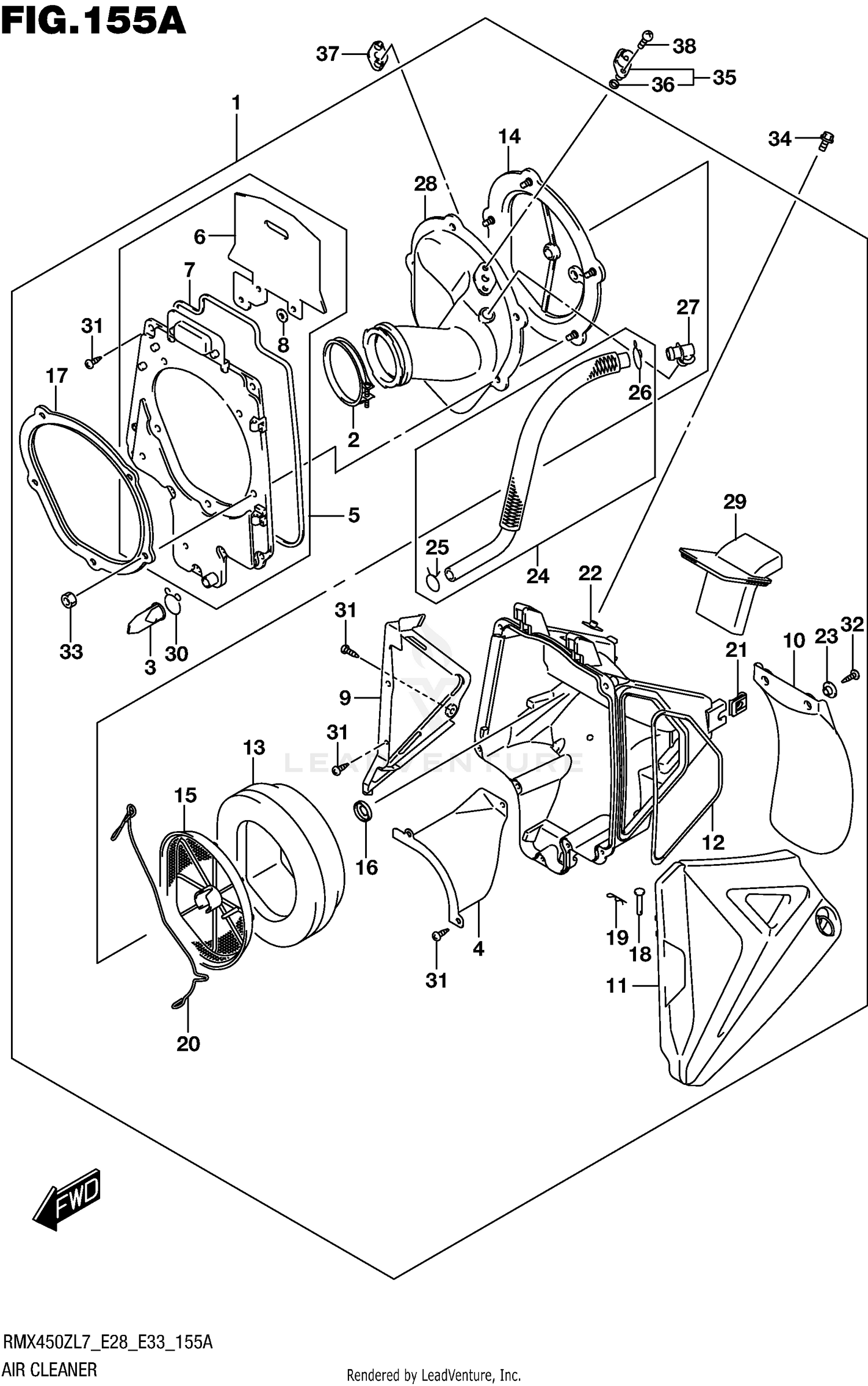
2017 Suzuki RMX450Z AIR CLEANER

Set this as my ride
AIR CLEANER

WARNING Cancer and Reproductive Harm www.P65Warnings.ca.gov.

Added to your cart
CLOSE