LUCKY YOU! Extra 10% Off Clearance | Use Code POTOGOLD10 Limited Time! Ends 3/21 Shop Now
CLOSE
Shipping to US Flag United States
Free shipping over $79
Moto Madness Sale | Get Up To 65% Off Parts & Gear Shop Now

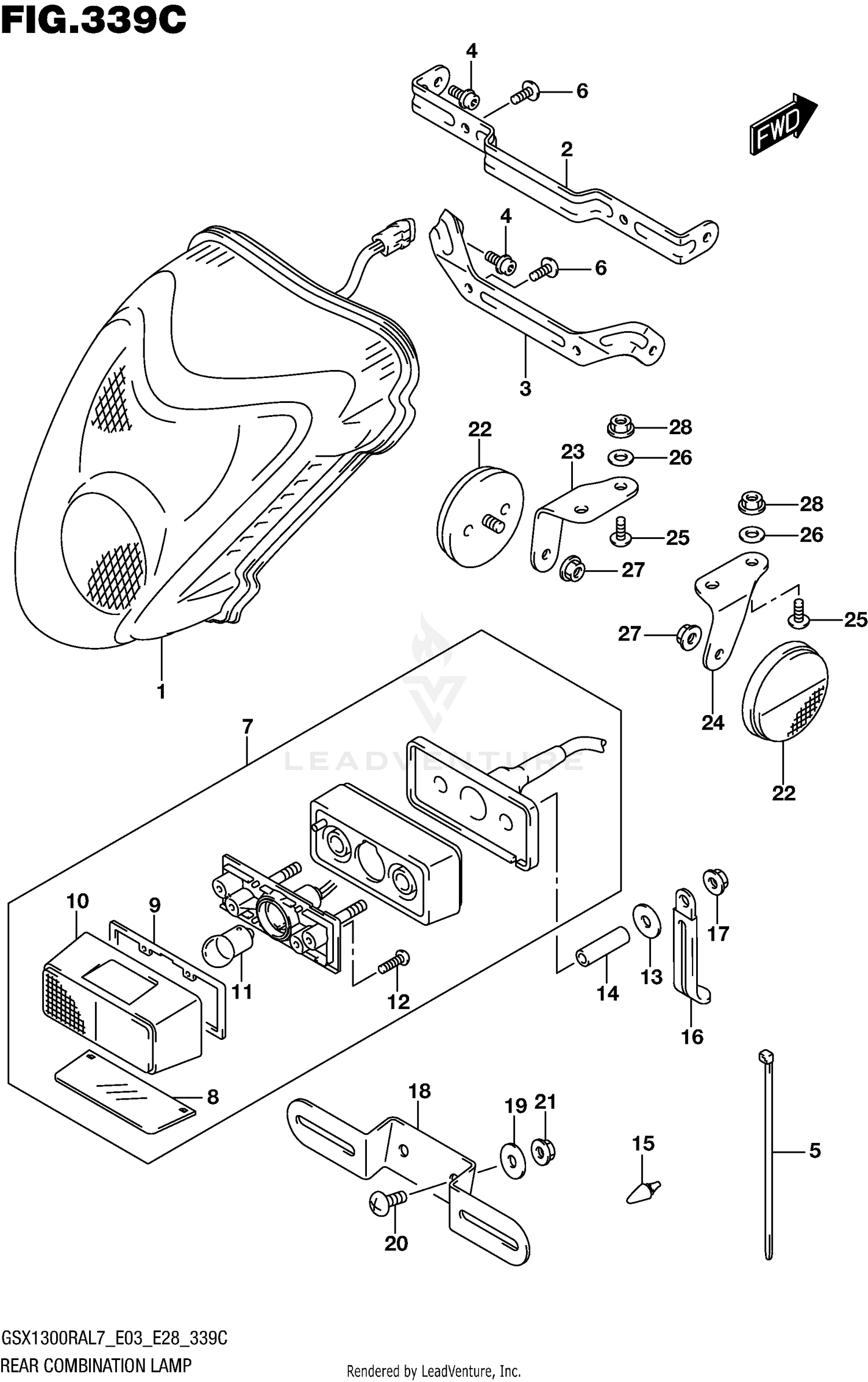
2017 Suzuki HAYABUSA REAR COMBINATION LAMP (GSX1300RAL7 E33)

Set this as my ride
REAR COMBINATION LAMP (GSX1300RAL7 E33)

WARNING Cancer and Reproductive Harm www.P65Warnings.ca.gov.

All 2017 Suzuki HAYABUSA Part Groups
Added to your cart
CLOSE