Kickstart your Riding Season with Bike Prep and Riding Gear Shop Now
CLOSE
Shipping to US Flag United States
Free shipping over $79
My Ride: 2016 Yamaha YZ250F
Moto Madness Sale | Get Up To 65% Off Parts & Gear Shop Now

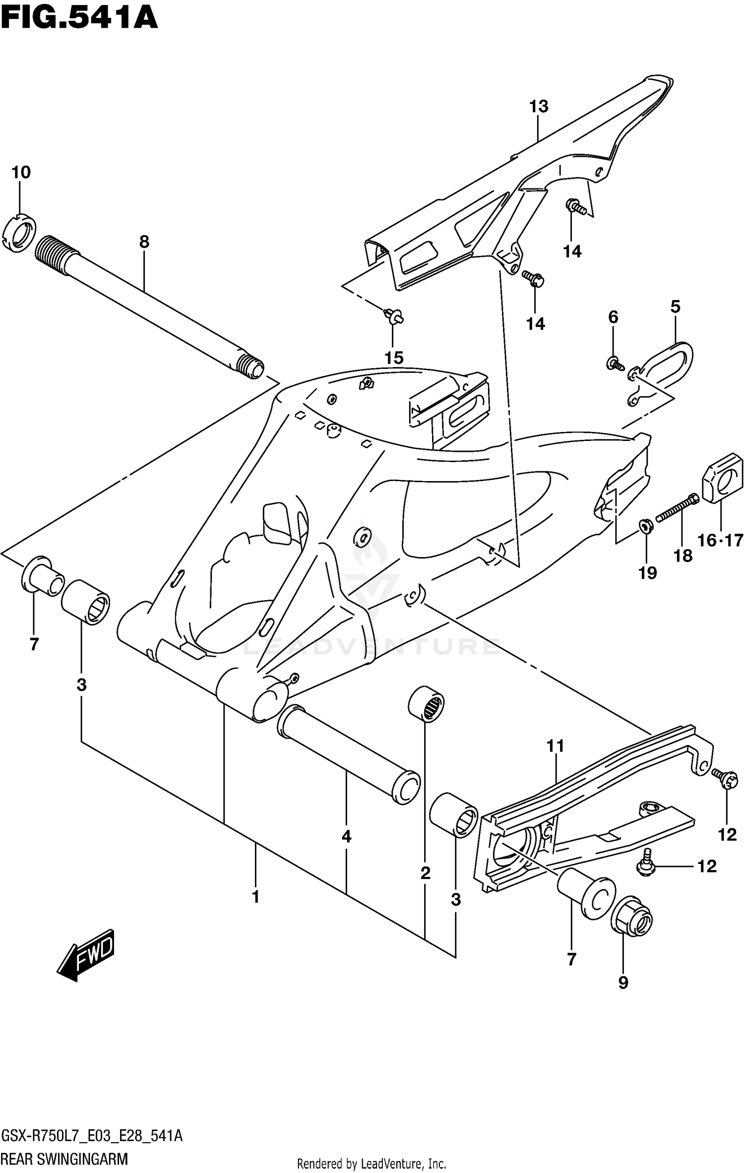
2017 Suzuki GSXR750 REAR SWINGINGARM

Set this as my ride
REAR SWINGINGARM

WARNING Cancer and Reproductive Harm www.P65Warnings.ca.gov.

All 2017 Suzuki GSXR750 Part Groups
Added to your cart
CLOSE