Renthal Deal! Up To 10% Off Shop Now
CLOSE
Shipping to US Flag United States
Free shipping over $79
My Ride: 2012 Can-Am OUTLANDER MAX 500
Moto Madness Sale | Get Up To 65% Off Parts & Gear Shop Now

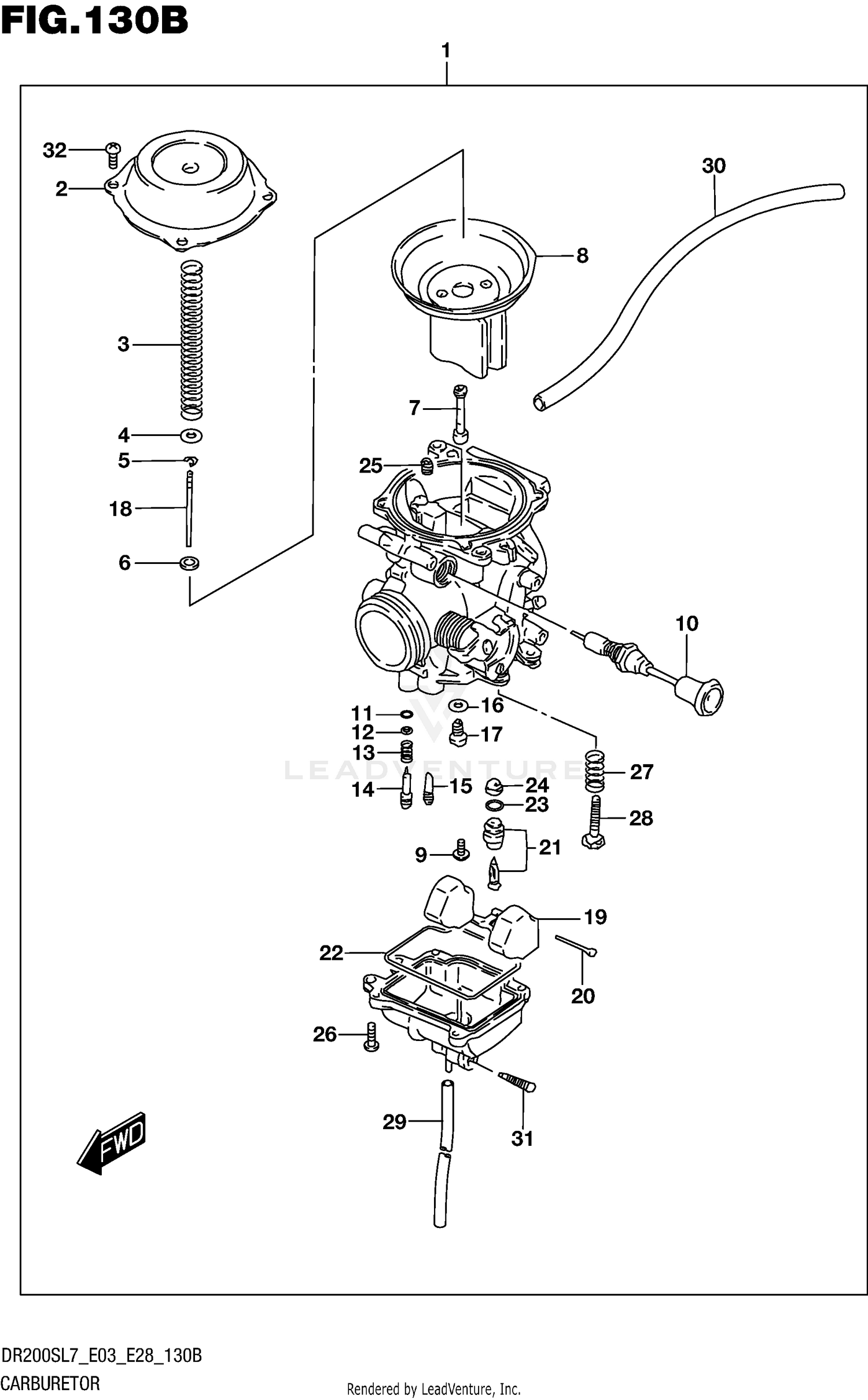
2017 Suzuki DR200S CARBURETOR (DR200SL7 E28)

Set this as my ride
CARBURETOR (DR200SL7 E28)

WARNING Cancer and Reproductive Harm www.P65Warnings.ca.gov.

Added to your cart
CLOSE