Tire Rebates! Get Up To $70 Back Shop Now
CLOSE
Shipping to US Flag United States
Free shipping over $79
Moto Madness Sale | Get Up To 65% Off Parts & Gear Shop Now

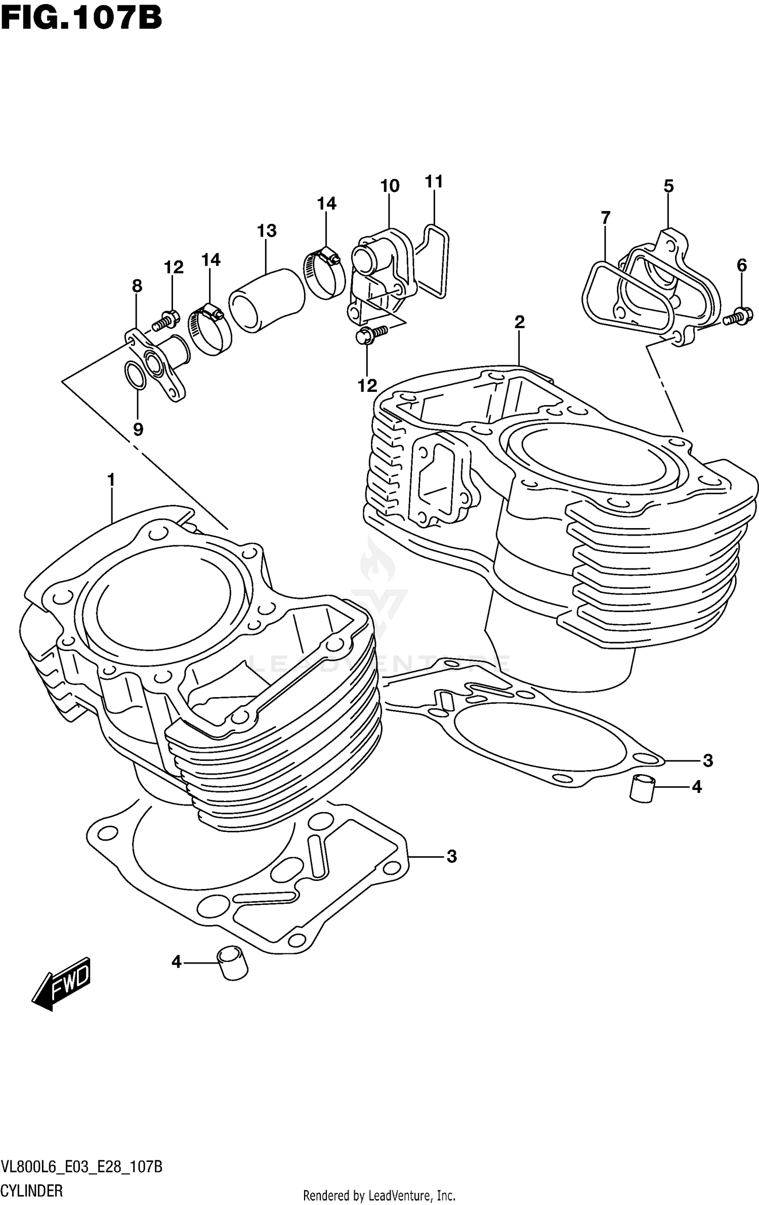
2016 Suzuki VL800 CYLINDER (VL800L6 E28)

Set this as my ride
CYLINDER (VL800L6 E28)

WARNING Cancer and Reproductive Harm www.P65Warnings.ca.gov.

All 2016 Suzuki VL800 Part Groups
Added to your cart
CLOSE