BOGOS End Tomorrow! | Buy One Get One Deals Shop Now
CLOSE
Shipping to US Flag United States
Free shipping over $79
Fast Cash Week Ends Tomorrow! | Earn $25 Fast Cash When You Spend $199 Learn More

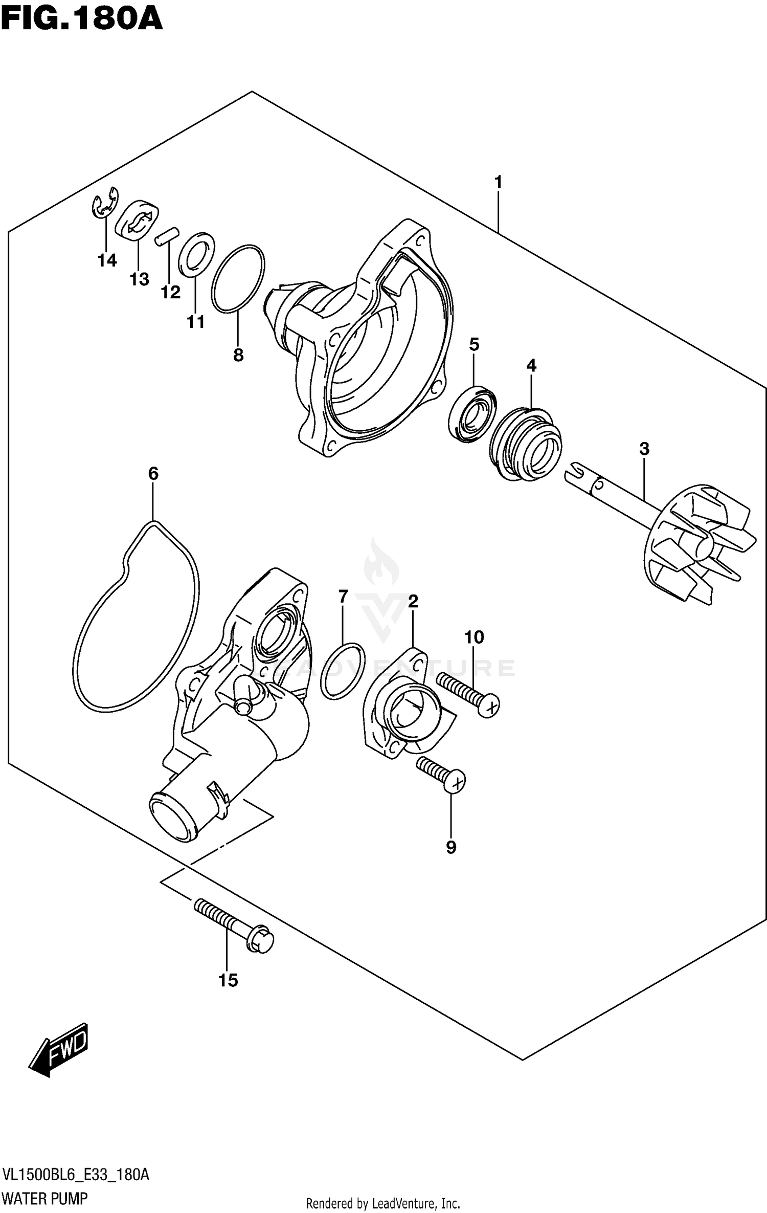
2016 Suzuki VL1500B WATER PUMP

Set this as my ride
WATER PUMP

WARNING Cancer and Reproductive Harm www.P65Warnings.ca.gov.

Added to your cart
CLOSE