Renthal Deal! Up To 10% Off Shop Now
CLOSE
Shipping to US Flag United States
Free shipping over $79
Moto Madness Sale | Get Up To 65% Off Parts & Gear Shop Now

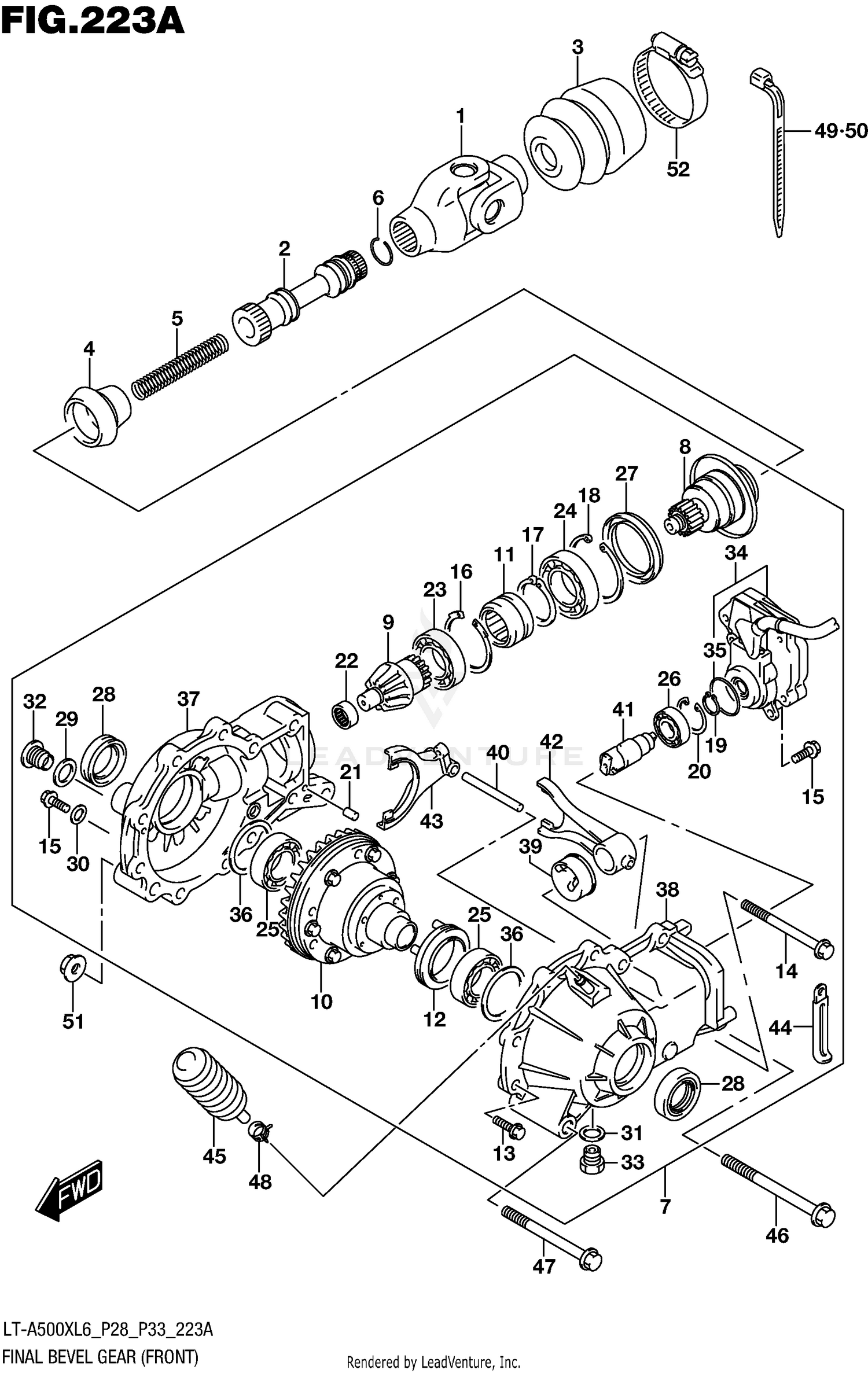
2016 Suzuki KING QUAD 500 FINAL BEVEL GEAR (FRONT)

Set this as my ride
FINAL BEVEL GEAR (FRONT)

WARNING Cancer and Reproductive Harm www.P65Warnings.ca.gov.

All 2016 Suzuki KING QUAD 500 Part Groups
Added to your cart
CLOSE