Renthal Deal! Up To 10% Off Shop Now
CLOSE
Shipping to US Flag United States
Free shipping over $79
Moto Madness Sale | Get Up To 65% Off Parts & Gear Shop Now

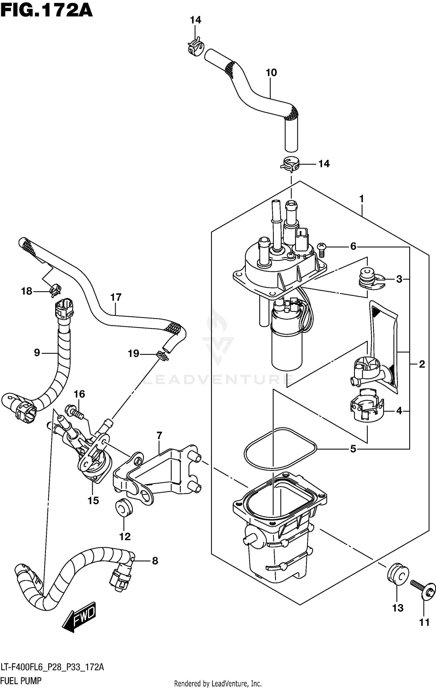
2016 Suzuki KING QUAD 400 FUEL PUMP

Set this as my ride
FUEL PUMP

WARNING Cancer and Reproductive Harm www.P65Warnings.ca.gov.

All 2016 Suzuki KING QUAD 400 Part Groups
Added to your cart
CLOSE