Kickstart your Riding Season with Bike Prep and Riding Gear Shop Now
CLOSE
Shipping to US Flag United States
Free shipping over $79
My Ride: 2017 Can-Am OUTLANDER 650 DPS
Moto Madness Sale | Get Up To 65% Off Parts & Gear Shop Now

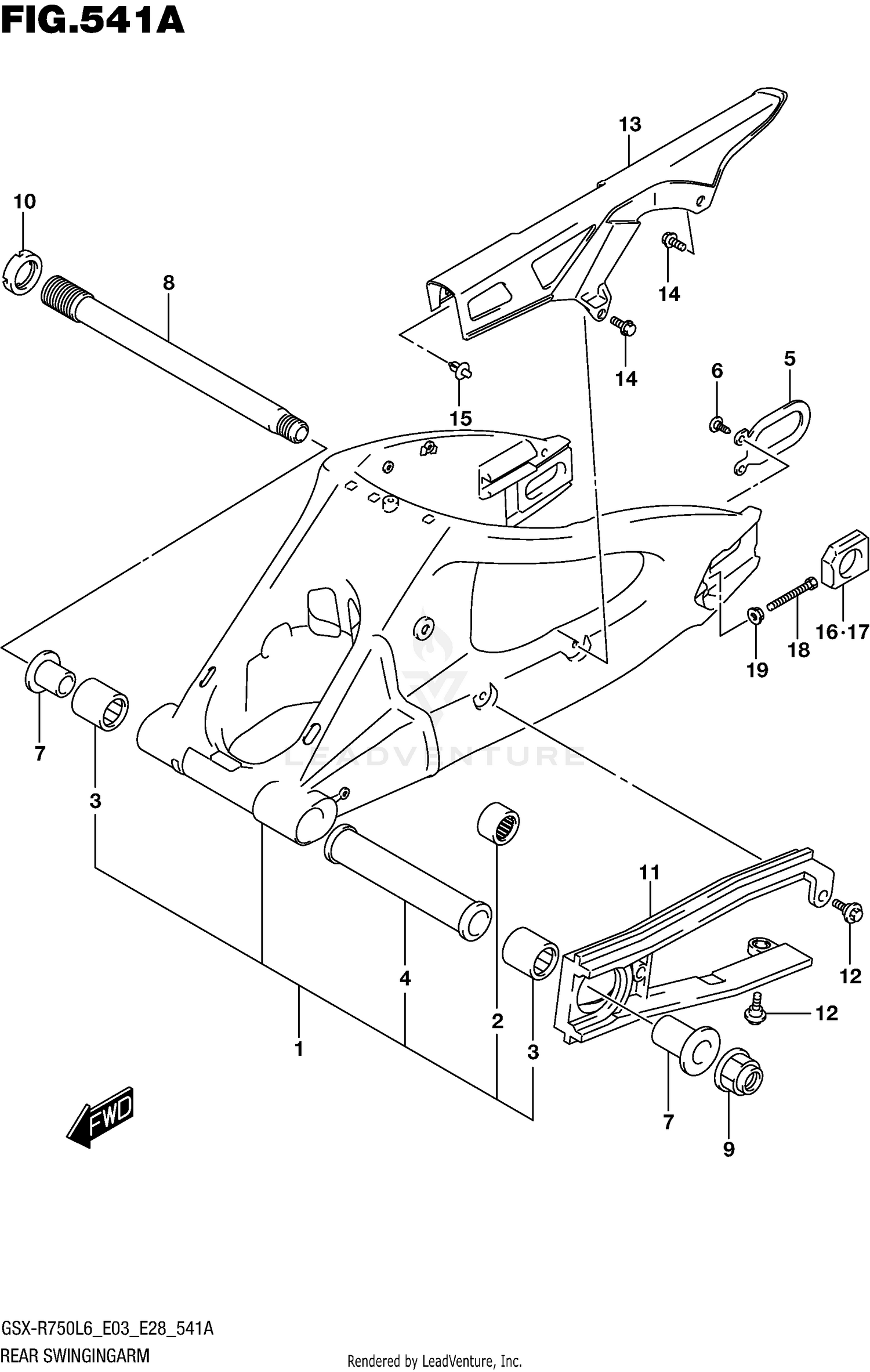
2016 Suzuki GSXR750 REAR SWINGINGARM

Set this as my ride
REAR SWINGINGARM

WARNING Cancer and Reproductive Harm www.P65Warnings.ca.gov.

All 2016 Suzuki GSXR750 Part Groups
Added to your cart
CLOSE