Kickstart your Riding Season with Bike Prep and Riding Gear Shop Now
CLOSE
Shipping to US Flag United States
Free shipping over $79
Moto Madness Sale | Get Up To 65% Off Parts & Gear Shop Now

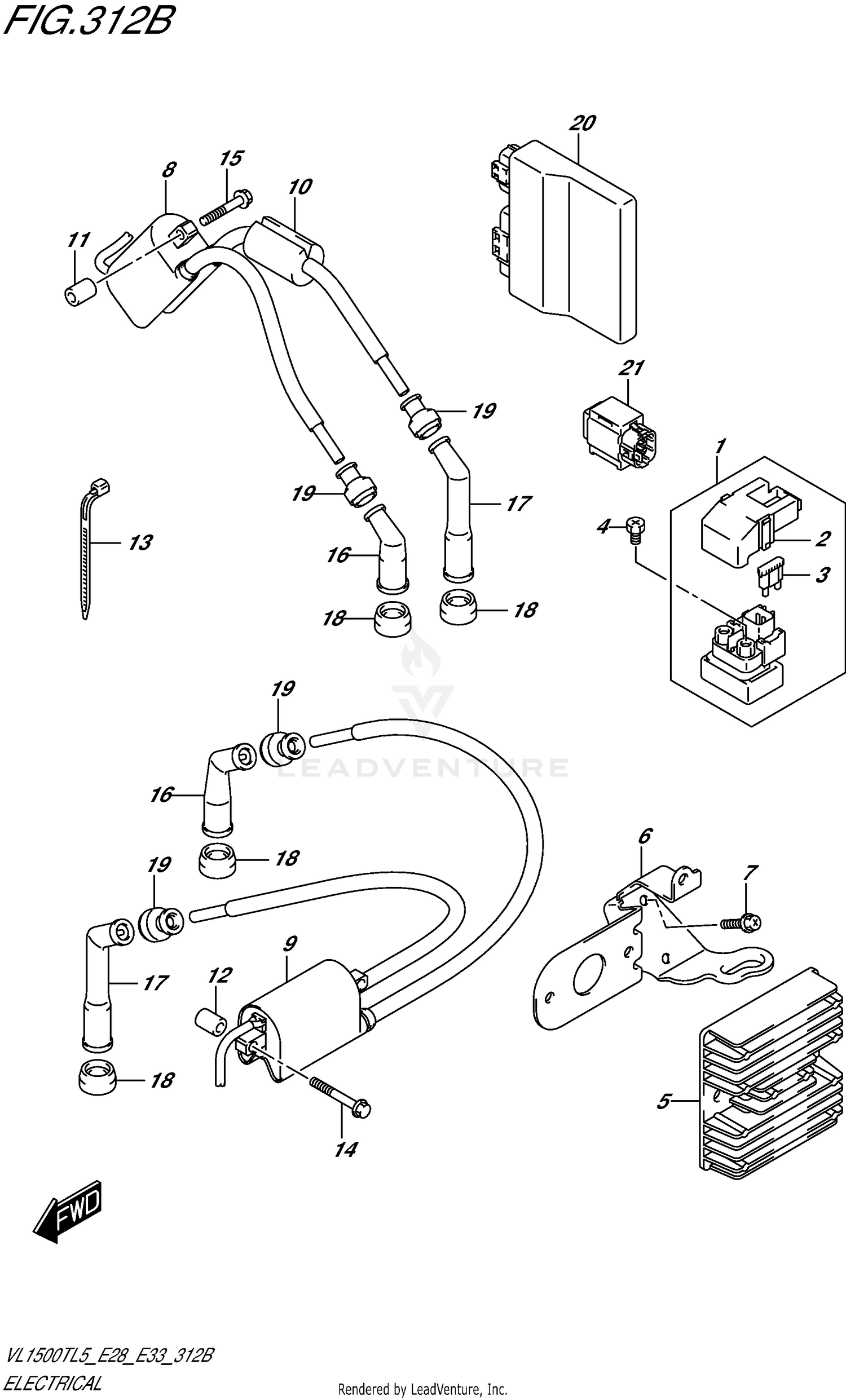
2015 Suzuki VL1500T ELECTRICAL (VL1500TL5 E33)

Set this as my ride
ELECTRICAL (VL1500TL5 E33)

WARNING Cancer and Reproductive Harm www.P65Warnings.ca.gov.

Added to your cart
CLOSE