BOGOS End Today! | Buy One Get One Deals Shop Now
CLOSE
Shipping to US Flag United States
Free shipping over $79
My Ride: 2020 Polaris RANGER XP 1000
Fast Cash Week Ends Today! | Earn $25 Fast Cash When You Spend $199 Learn More

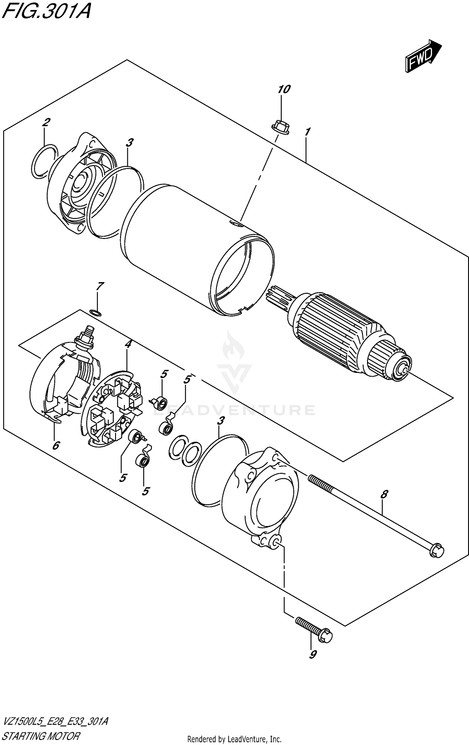
2015 Suzuki VL1500 STARTING MOTOR

Set this as my ride
STARTING MOTOR

WARNING Cancer and Reproductive Harm www.P65Warnings.ca.gov.

Added to your cart
CLOSE