BOGOS | Buy One Get One Deals Shop Now
CLOSE
Shipping to US Flag United States
Free shipping over $79
My Ride: 2003 Honda TRX400EX
Fast Cash Week | Earn $25 Fast Cash When You Spend $199 Learn More

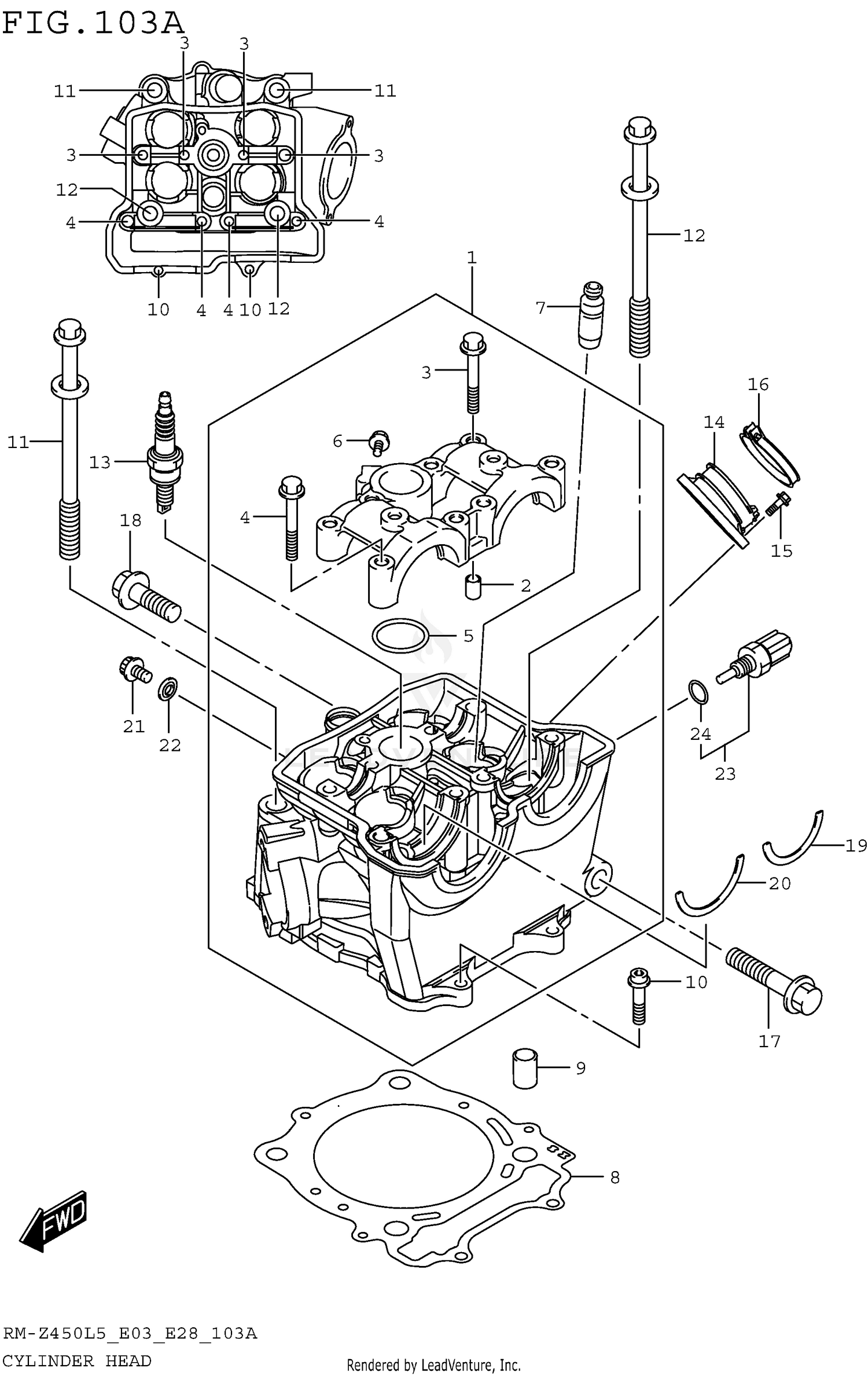
2015 Suzuki RMZ450 CYLINDER HEAD

Set this as my ride
CYLINDER HEAD

WARNING Cancer and Reproductive Harm www.P65Warnings.ca.gov.

Added to your cart
CLOSE