Tire Rebates! Get Up To $70 Back Shop Now
CLOSE
Shipping to US Flag United States
Free shipping over $79
Moto Madness Sale | Get Up To 65% Off Parts & Gear Shop Now

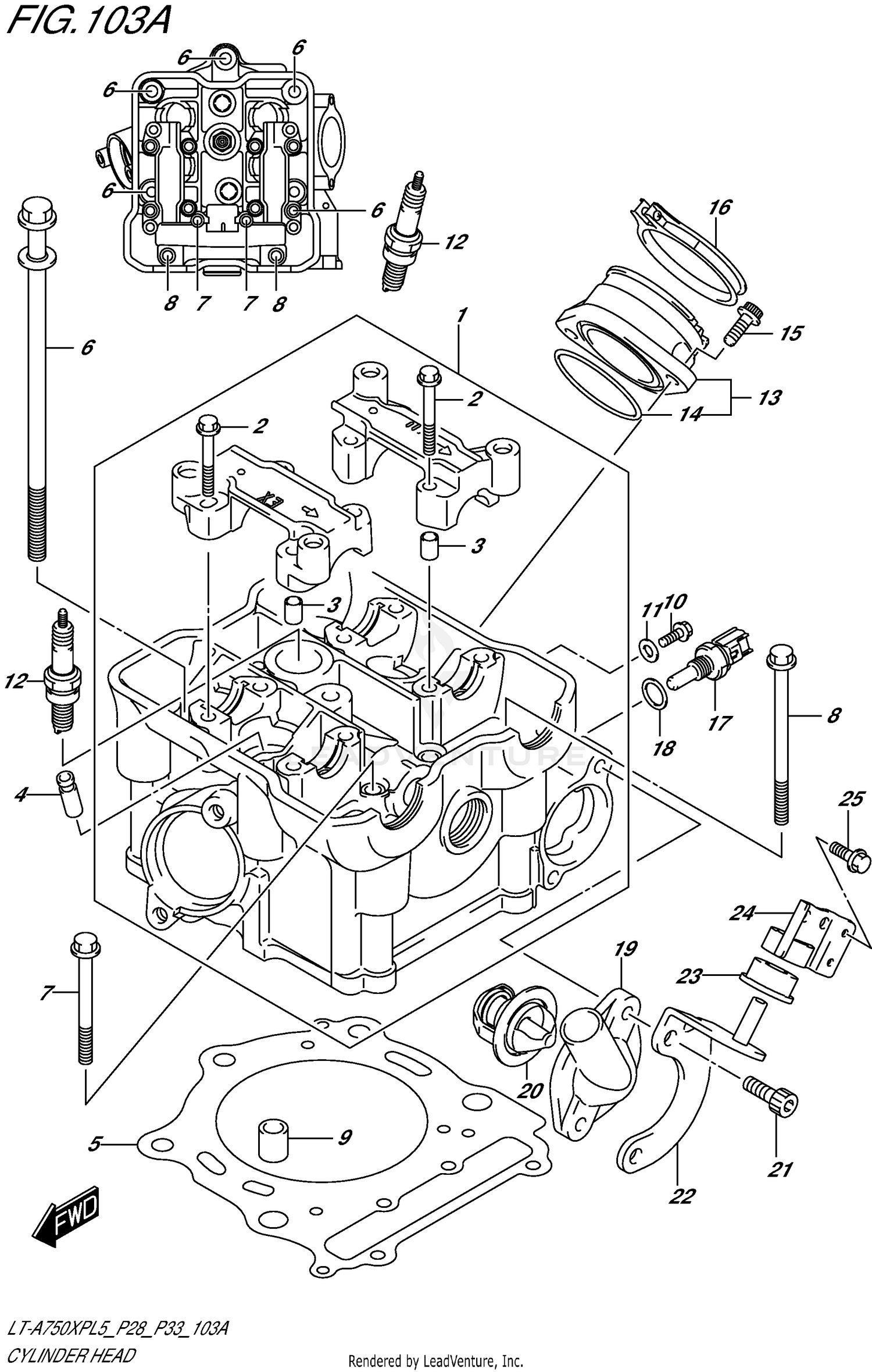
2015 Suzuki KING QUAD 750 POWER STEERING CYLINDER HEAD

Set this as my ride
CYLINDER HEAD

WARNING Cancer and Reproductive Harm www.P65Warnings.ca.gov.

All 2015 Suzuki KING QUAD 750 POWER STEERING Part Groups
Added to your cart
CLOSE