LUCKY YOU! Extra 10% Off Clearance | Use Code POTOGOLD10 Limited Time! Ends 3/21 Shop Now
CLOSE
Shipping to US Flag United States
Free shipping over $79
My Ride: 2012 KTM 250SX
Moto Madness Sale | Get Up To 65% Off Parts & Gear Shop Now

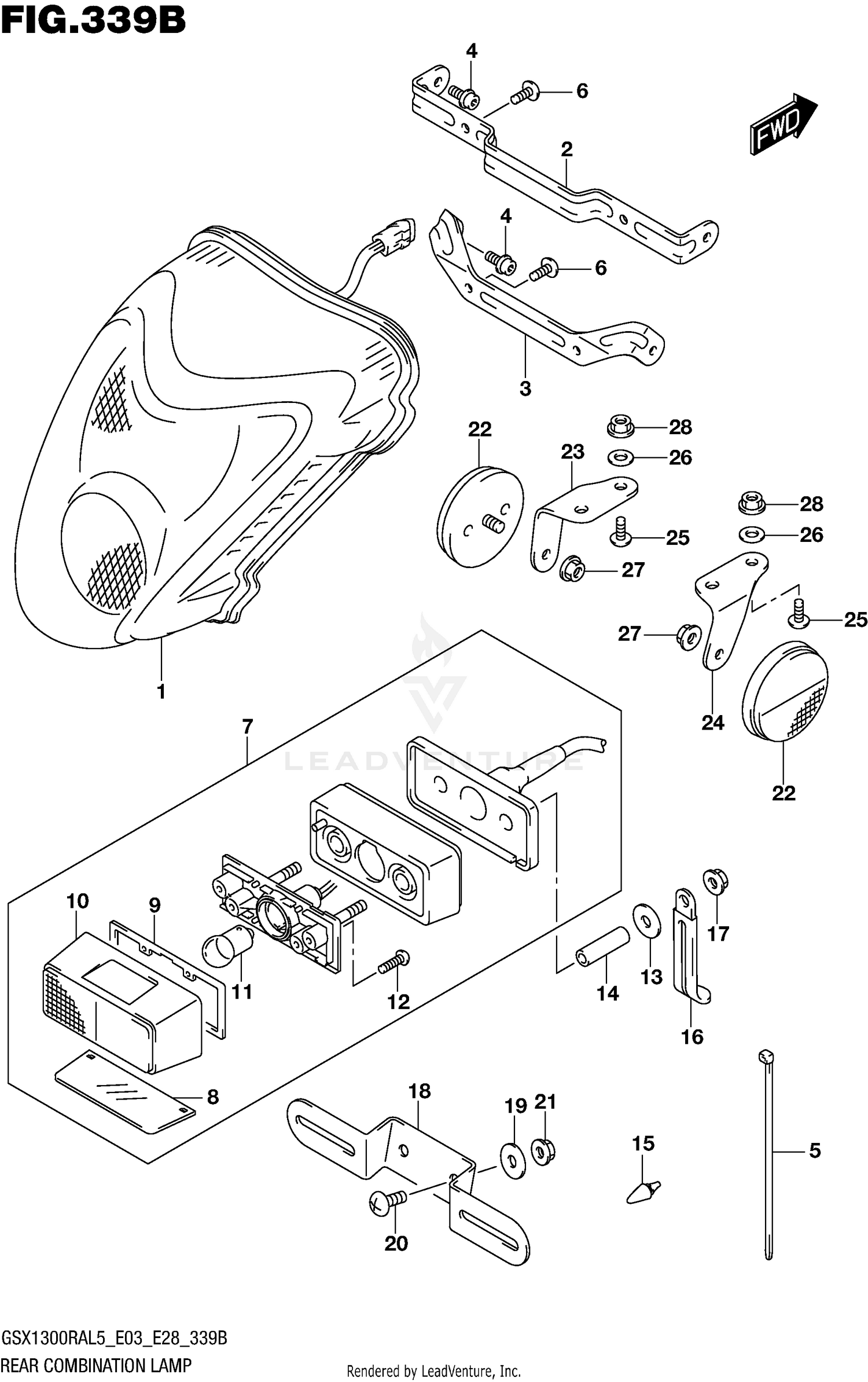
2015 Suzuki HAYABUSA REAR COMBINATION LAMP (GSX1300RAL5 E28)

Set this as my ride
REAR COMBINATION LAMP (GSX1300RAL5 E28)

WARNING Cancer and Reproductive Harm www.P65Warnings.ca.gov.

All 2015 Suzuki HAYABUSA Part Groups
Added to your cart
CLOSE