Get Out and Ride | Dialed Gear. Tuned Parts. Dirt Ready. Shop Now
CLOSE
Shipping to US Flag United States
Free shipping over $79
BOGOS | Buy One Get One Deals Shop Now

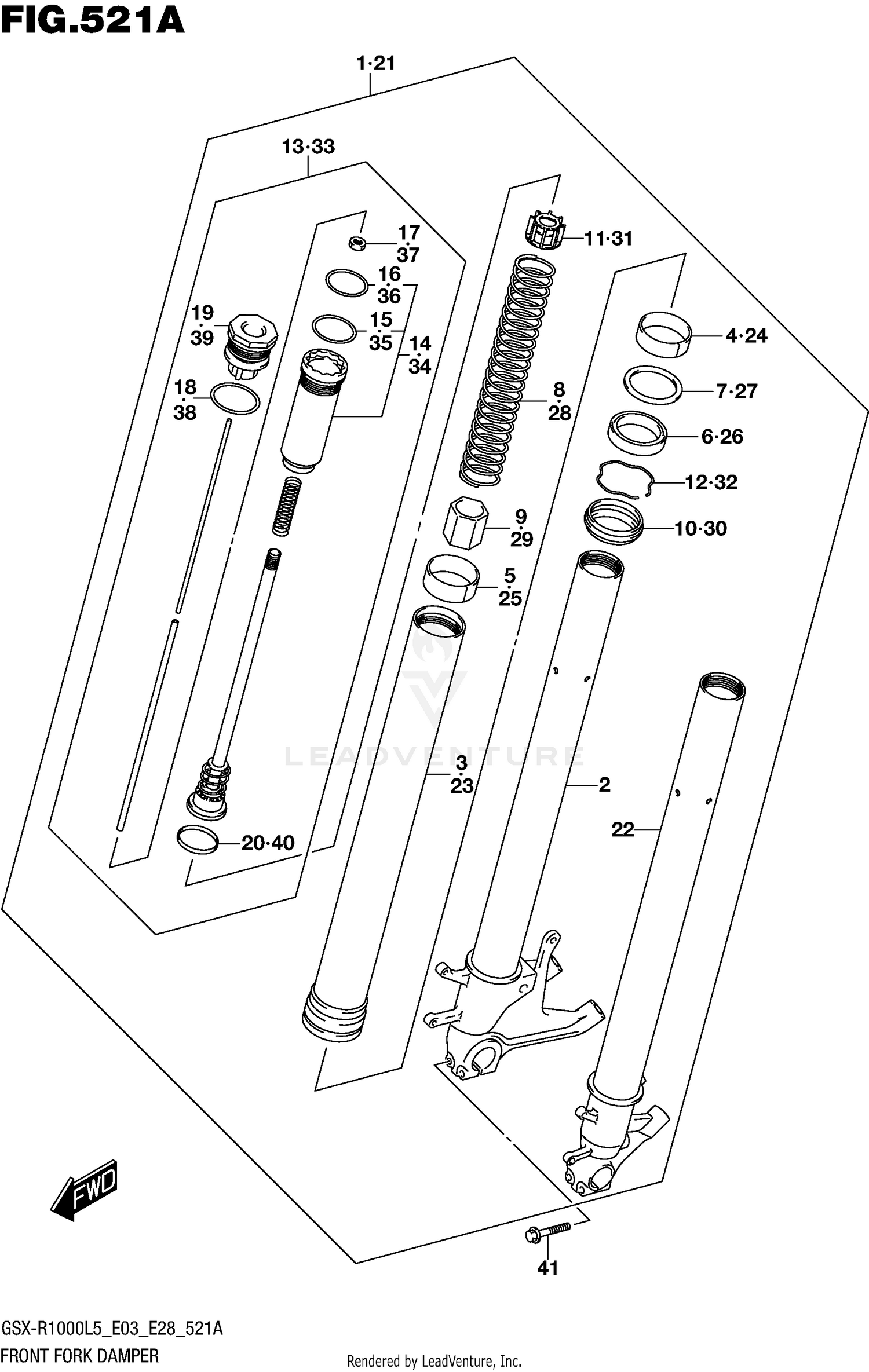
2015 Suzuki GSXR1000 FRONT FORK DAMPER

Set this as my ride
FRONT FORK DAMPER

WARNING Cancer and Reproductive Harm www.P65Warnings.ca.gov.

All 2015 Suzuki GSXR1000 Part Groups
Added to your cart
CLOSE