Get Out and Ride | Dialed Gear. Tuned Parts. Dirt Ready. Shop Now
CLOSE
Shipping to US Flag United States
Free shipping over $79
My Ride: 1999 Yamaha TIMBERWOLF 250 4X4
BOGOS | Buy One Get One Deals Shop Now

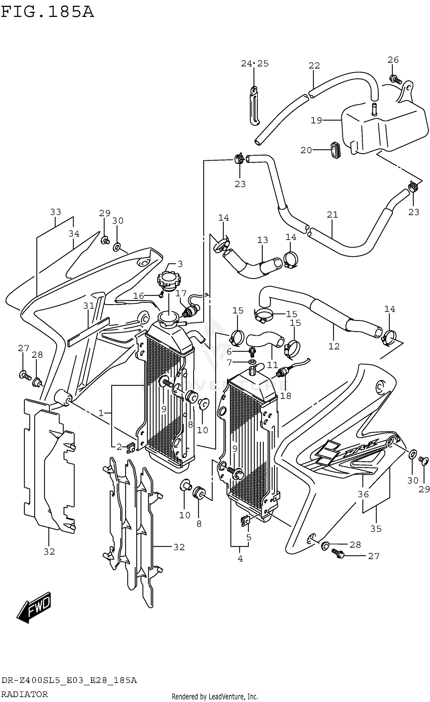
2015 Suzuki DRZ400S RADIATOR

Set this as my ride
RADIATOR

WARNING Cancer and Reproductive Harm www.P65Warnings.ca.gov.

Added to your cart
CLOSE