Kickstart your Riding Season with Bike Prep and Riding Gear Shop Now
CLOSE
Shipping to US Flag United States
Free shipping over $79
My Ride: 2019 Textron STAMPEDE
Bargain Bin Blowout! | Save 40-90% Off! Shop Now

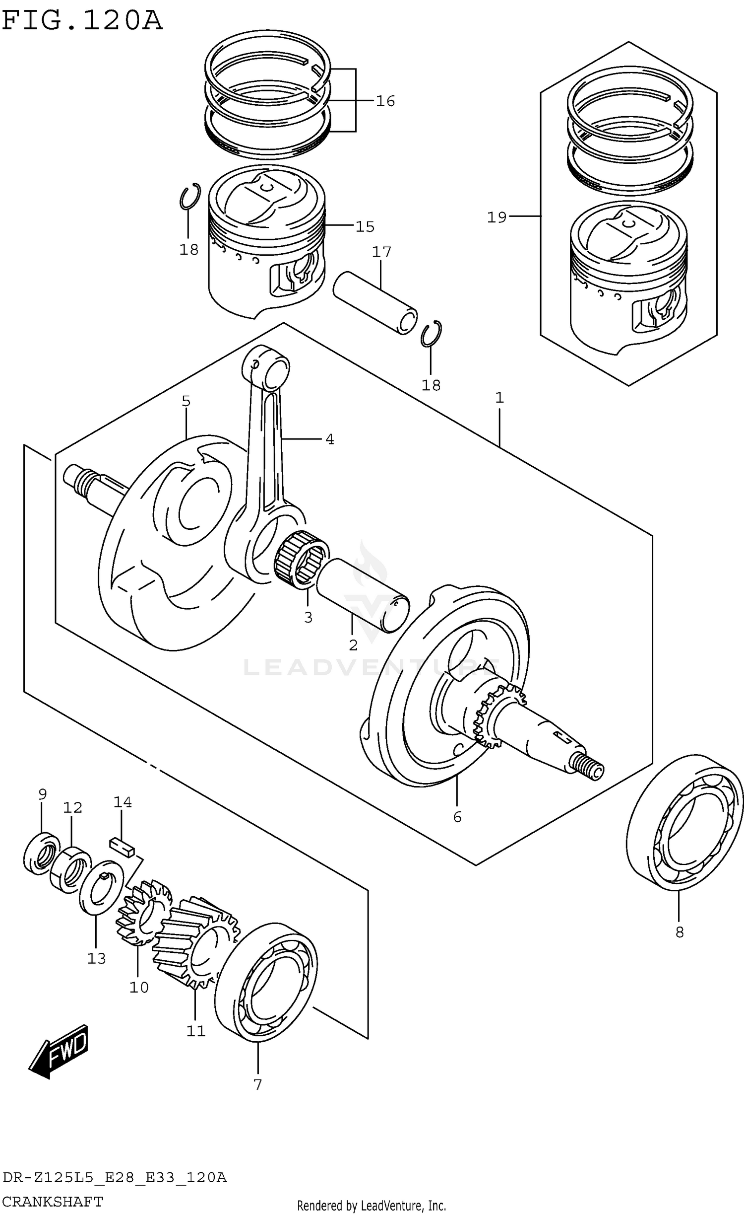
2015 Suzuki DRZ125 CRANKSHAFT

Set this as my ride
CRANKSHAFT

WARNING Cancer and Reproductive Harm www.P65Warnings.ca.gov.

All 2015 Suzuki DRZ125 Part Groups
Added to your cart
CLOSE