Kickstart your Riding Season with Bike Prep and Riding Gear Shop Now
CLOSE
Shipping to US Flag United States
Free shipping over $79
Moto Madness Sale | Get Up To 65% Off Parts & Gear Shop Now

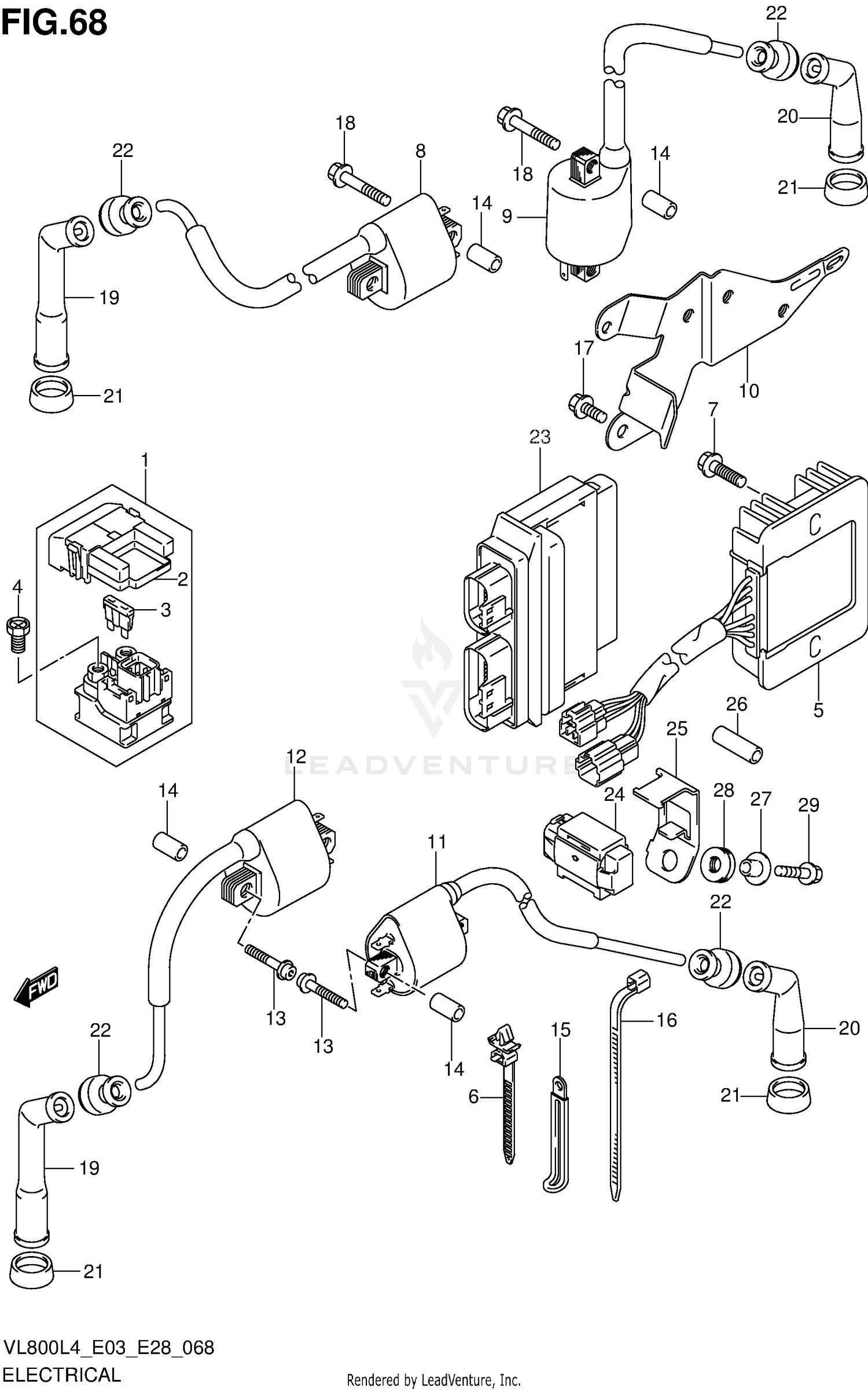
2014 Suzuki VL800T ELECTRICAL (VL800TL4 E33)

Set this as my ride
ELECTRICAL (VL800TL4 E33)

WARNING Cancer and Reproductive Harm www.P65Warnings.ca.gov.

All 2014 Suzuki VL800T Part Groups
Added to your cart
CLOSE