BOGOS End Today! | Buy One Get One Deals Shop Now
CLOSE
Shipping to US Flag United States
Free shipping over $79
My Ride: 2001 Honda TRX400EX
Fast Cash Week Ends Today! | Earn $25 Fast Cash When You Spend $199 Learn More

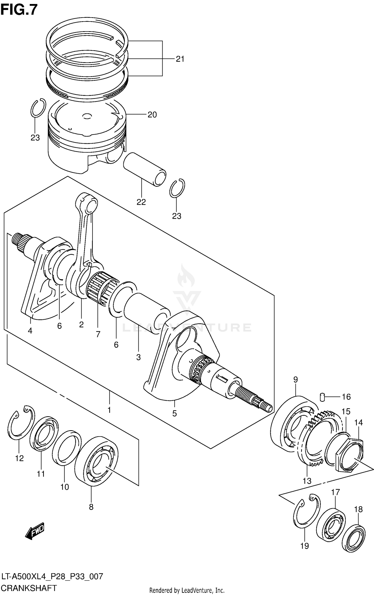
2014 Suzuki KING QUAD 500 CRANKSHAFT

Set this as my ride
CRANKSHAFT

WARNING Cancer and Reproductive Harm www.P65Warnings.ca.gov.

All 2014 Suzuki KING QUAD 500 Part Groups
Added to your cart
CLOSE