FMF Exhausts Up To 10% Off Shop Now
CLOSE
Shipping to US Flag United States
Free shipping over $79
Moto Madness Sale | Get Up To 65% Off Parts & Gear Shop Now

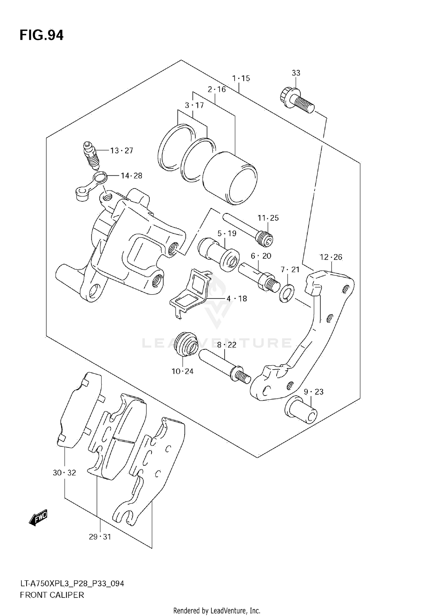
2013 Suzuki KING QUAD 750 POWER STEERING FRONT CALIPER

Set this as my ride
FRONT CALIPER

WARNING Cancer and Reproductive Harm www.P65Warnings.ca.gov.

All 2013 Suzuki KING QUAD 750 POWER STEERING Part Groups
Added to your cart
CLOSE