Tire Rebates! Get Up To $70 Back Shop Now
CLOSE
Shipping to US Flag United States
Free shipping over $79
Moto Madness Sale | Get Up To 65% Off Parts & Gear Shop Now

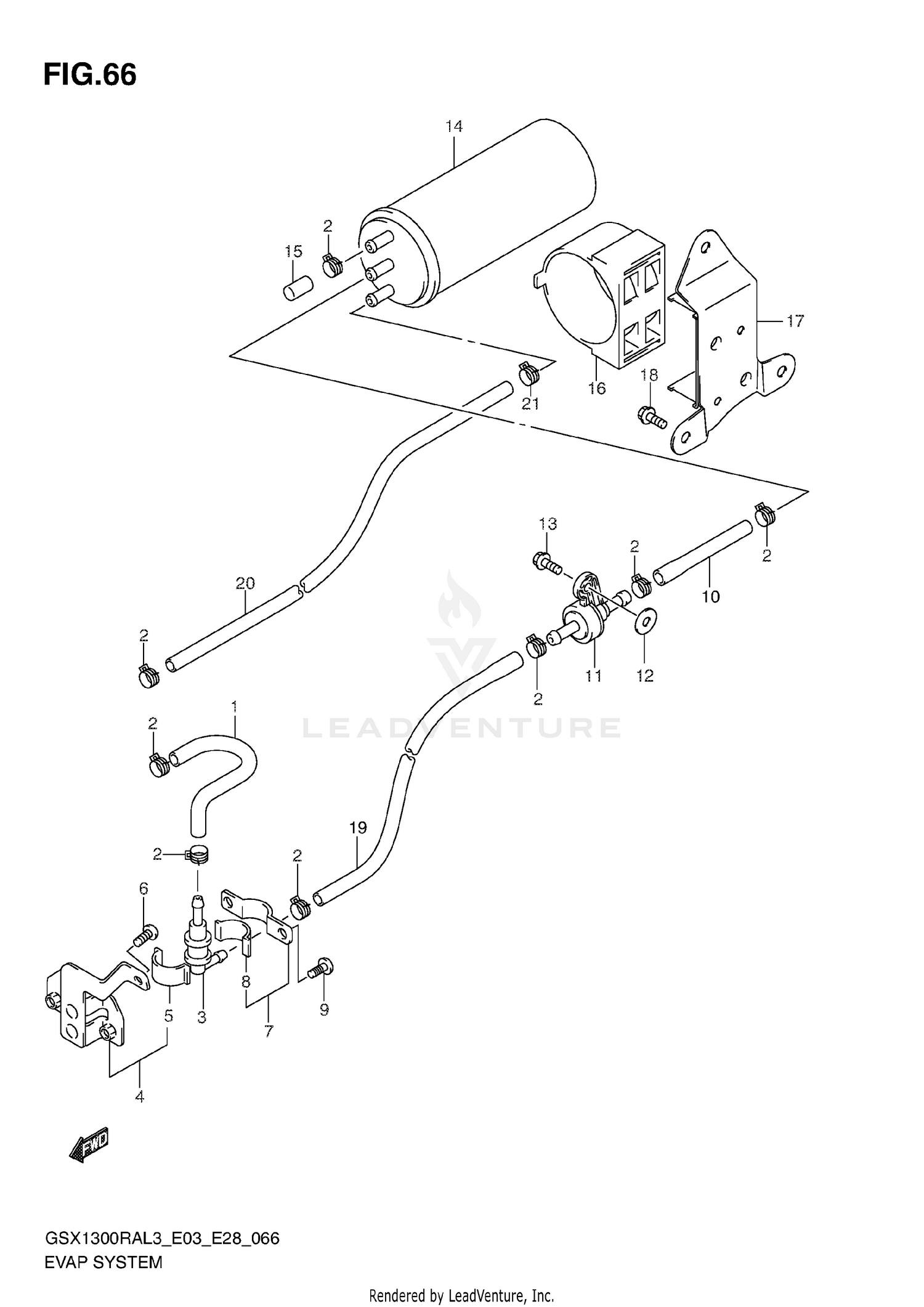
2013 Suzuki HAYABUSA EVAP SYSTEM (GSX1300RAL3 E33)

Set this as my ride
EVAP SYSTEM (GSX1300RAL3 E33)

WARNING Cancer and Reproductive Harm www.P65Warnings.ca.gov.

All 2013 Suzuki HAYABUSA Part Groups
Added to your cart
CLOSE