One Day Only! FREE 2-Day Shipping on Orders Over $99 with code RIDEOFF Shop Now
CLOSE
Shipping to US Flag United States
Free shipping over $79
Fast Cash Week | Earn $25 Fast Cash When You Spend $199 Learn More

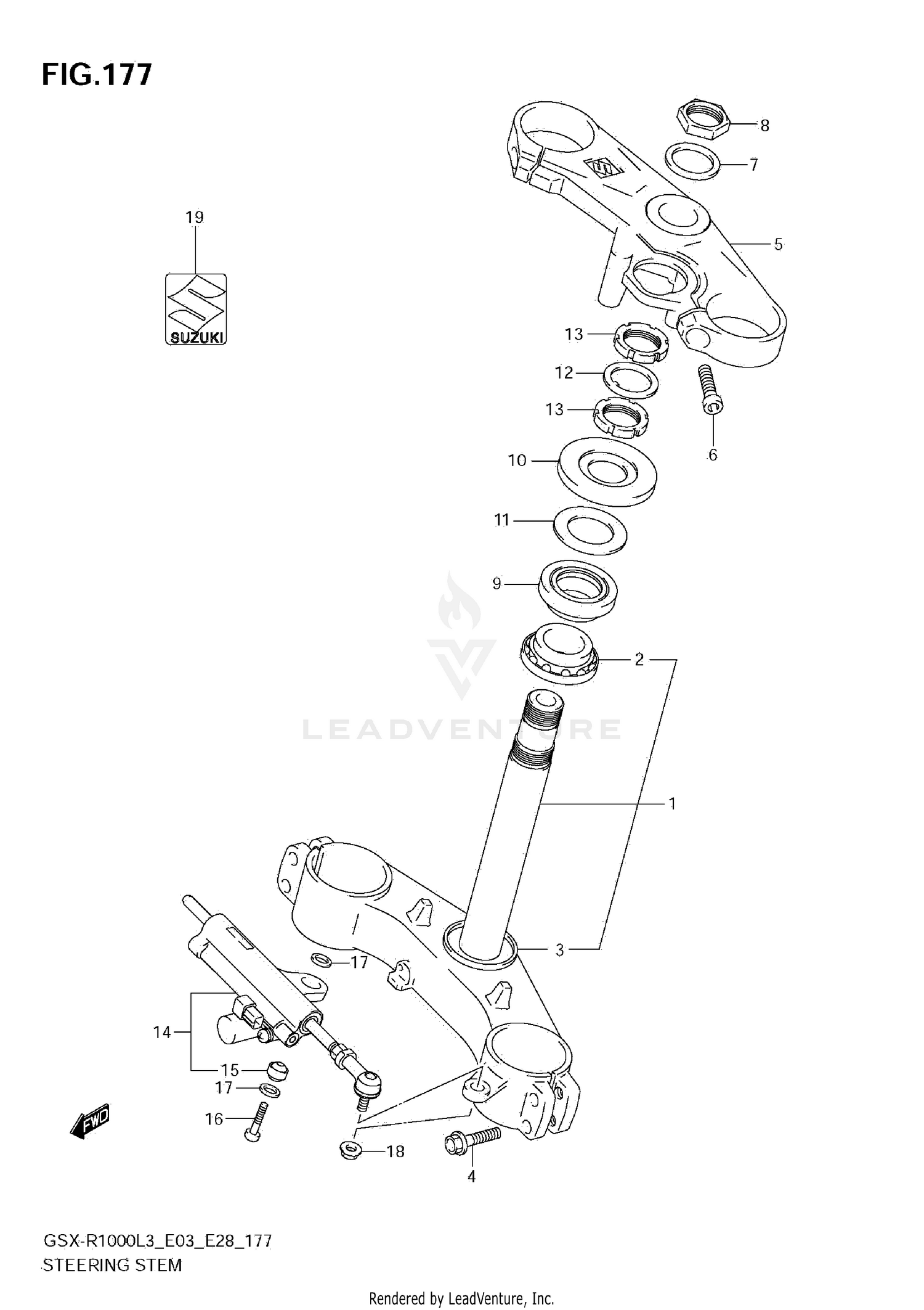
2013 Suzuki GSXR1000 STEERING STEM

Set this as my ride
STEERING STEM

WARNING Cancer and Reproductive Harm www.P65Warnings.ca.gov.

All 2013 Suzuki GSXR1000 Part Groups
Added to your cart
CLOSE