Kickstart your Riding Season with Bike Prep and Riding Gear Shop Now
CLOSE
Shipping to US Flag United States
Free shipping over $79
Moto Madness Sale | Get Up To 65% Off Parts & Gear Shop Now

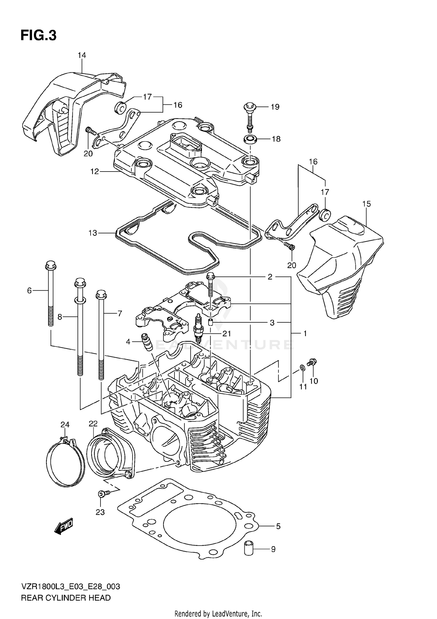
2013 Suzuki BOULEVARD - VZR1800L3 REAR CYLINDER HEAD

Set this as my ride
REAR CYLINDER HEAD

WARNING Cancer and Reproductive Harm www.P65Warnings.ca.gov.

All 2013 Suzuki BOULEVARD - VZR1800L3 Part Groups
Added to your cart
CLOSE