Kickstart your Riding Season with Bike Prep and Riding Gear Shop Now
CLOSE
Shipping to US Flag United States
Free shipping over $79
My Ride: 2012 Triumph Scrambler
Moto Madness Sale | Get Up To 65% Off Parts & Gear Shop Now

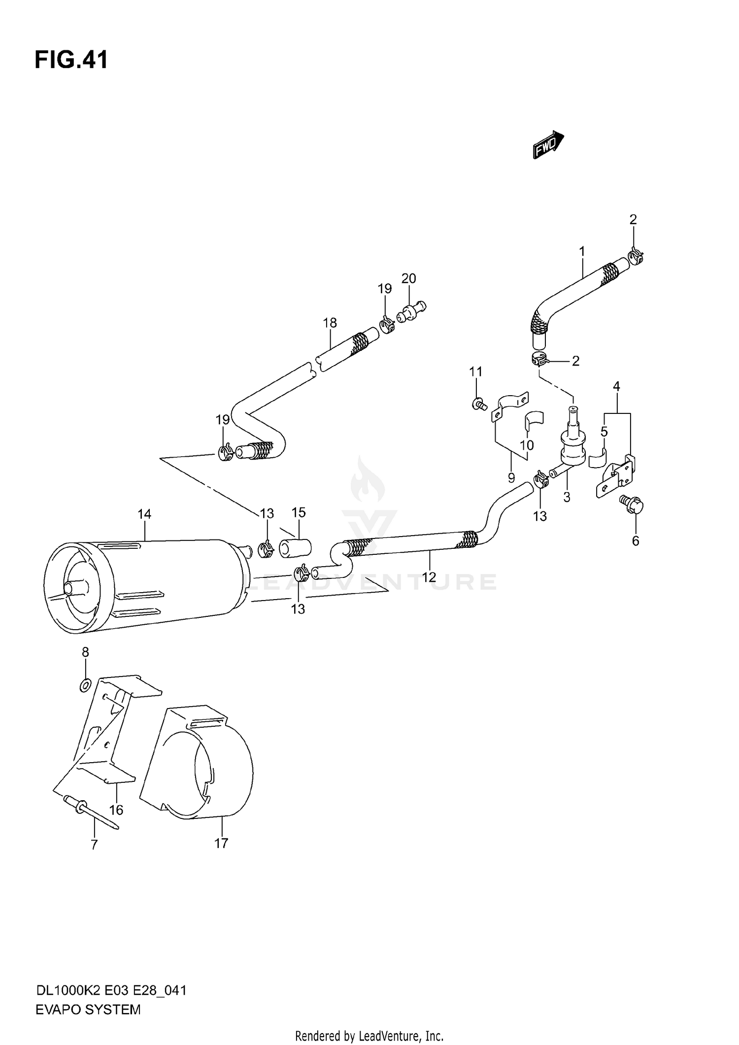
2004 Suzuki DL1000 CANISTER (E33)

Set this as my ride
CANISTER (E33)

WARNING Cancer and Reproductive Harm www.P65Warnings.ca.gov.

All 2004 Suzuki DL1000 Part Groups
Added to your cart
CLOSE