Kickstart your Riding Season with Bike Prep and Riding Gear Shop Now
CLOSE
Shipping to US Flag United States
Free shipping over $79
Moto Madness Sale | Get Up To 65% Off Parts & Gear Shop Now

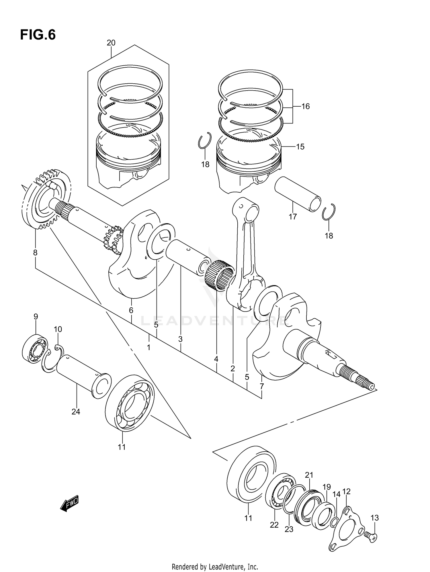
2003 Suzuki EIGER 400 4X4 SEMI-AUTO CRANKSHAFT

Set this as my ride
CRANKSHAFT

WARNING Cancer and Reproductive Harm www.P65Warnings.ca.gov.

All 2003 Suzuki EIGER 400 4X4 SEMI-AUTO Part Groups
Added to your cart
CLOSE