Kickstart your Riding Season with Bike Prep and Riding Gear Shop Now
CLOSE
Shipping to US Flag United States
Free shipping over $79
My Ride: 2006 Yamaha BLASTER
Bargain Bin Blowout! | Save 40-90% Off! Shop Now

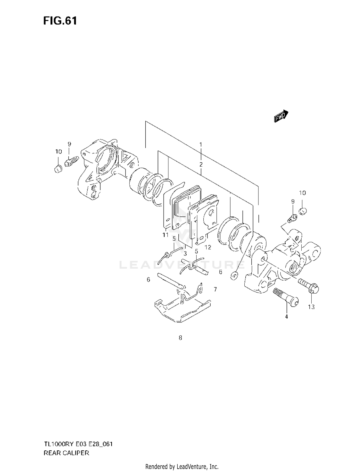
2000 Suzuki TL1000R REAR CALIPER

Set this as my ride
REAR CALIPER

WARNING Cancer and Reproductive Harm www.P65Warnings.ca.gov.

All 2000 Suzuki TL1000R Part Groups
Added to your cart
CLOSE