Kickstart your Riding Season with Bike Prep and Riding Gear Shop Now
CLOSE
Shipping to US Flag United States
Free shipping over $79
Moto Madness Sale | Get Up To 65% Off Parts & Gear Shop Now

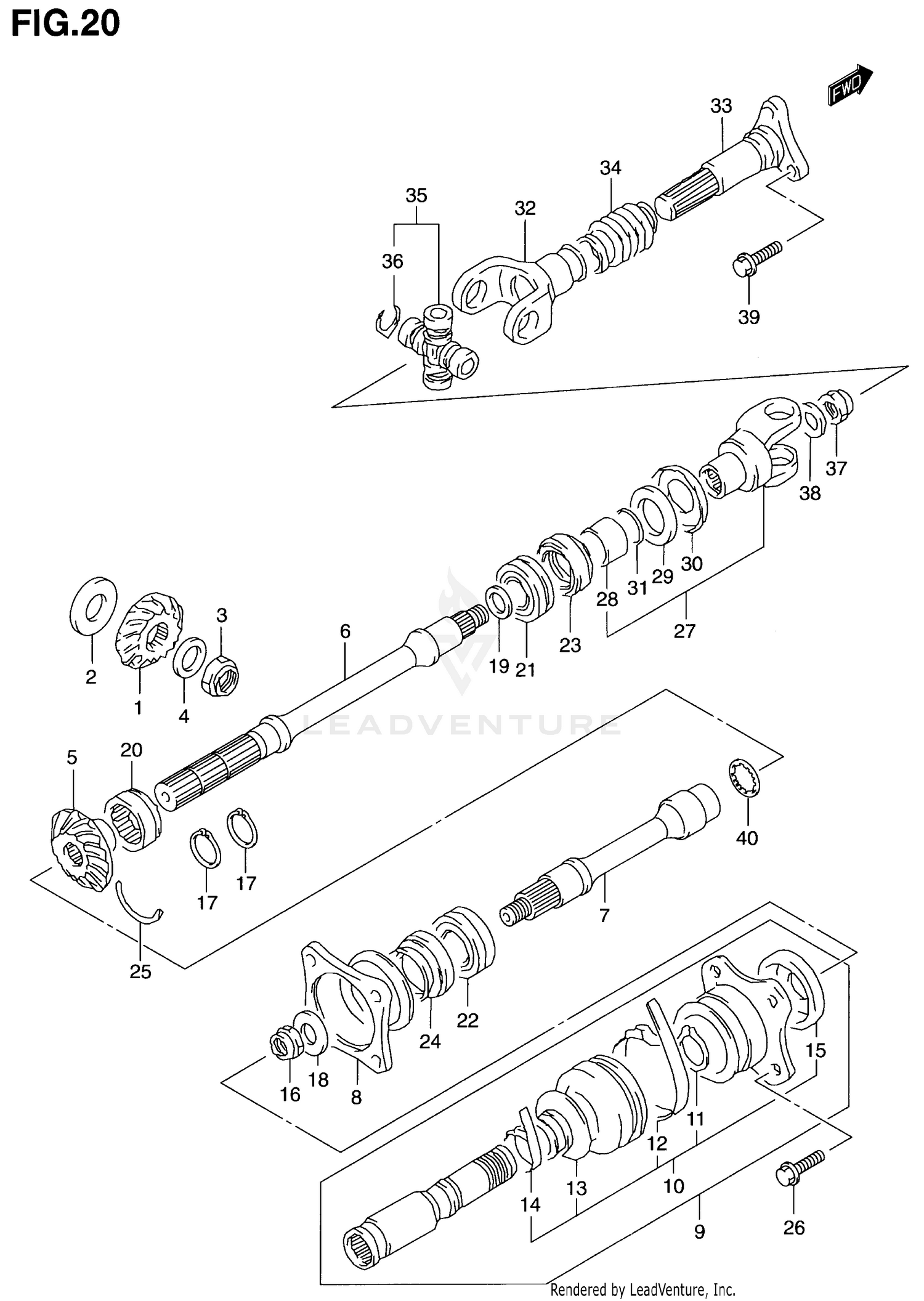
2000 Suzuki LT-A500F QUADMASTER 4X4 SECONDARY DRIVE (MODEL Y)

Set this as my ride
SECONDARY DRIVE (MODEL Y)

WARNING Cancer and Reproductive Harm www.P65Warnings.ca.gov.

Added to your cart
CLOSE