Kickstart your Riding Season with Bike Prep and Riding Gear Shop Now
CLOSE
Shipping to US Flag United States
Free shipping over $79
Fast Cash Week | Earn $10 When you Spend $99 + $25 When You Spend $199 Shop Now

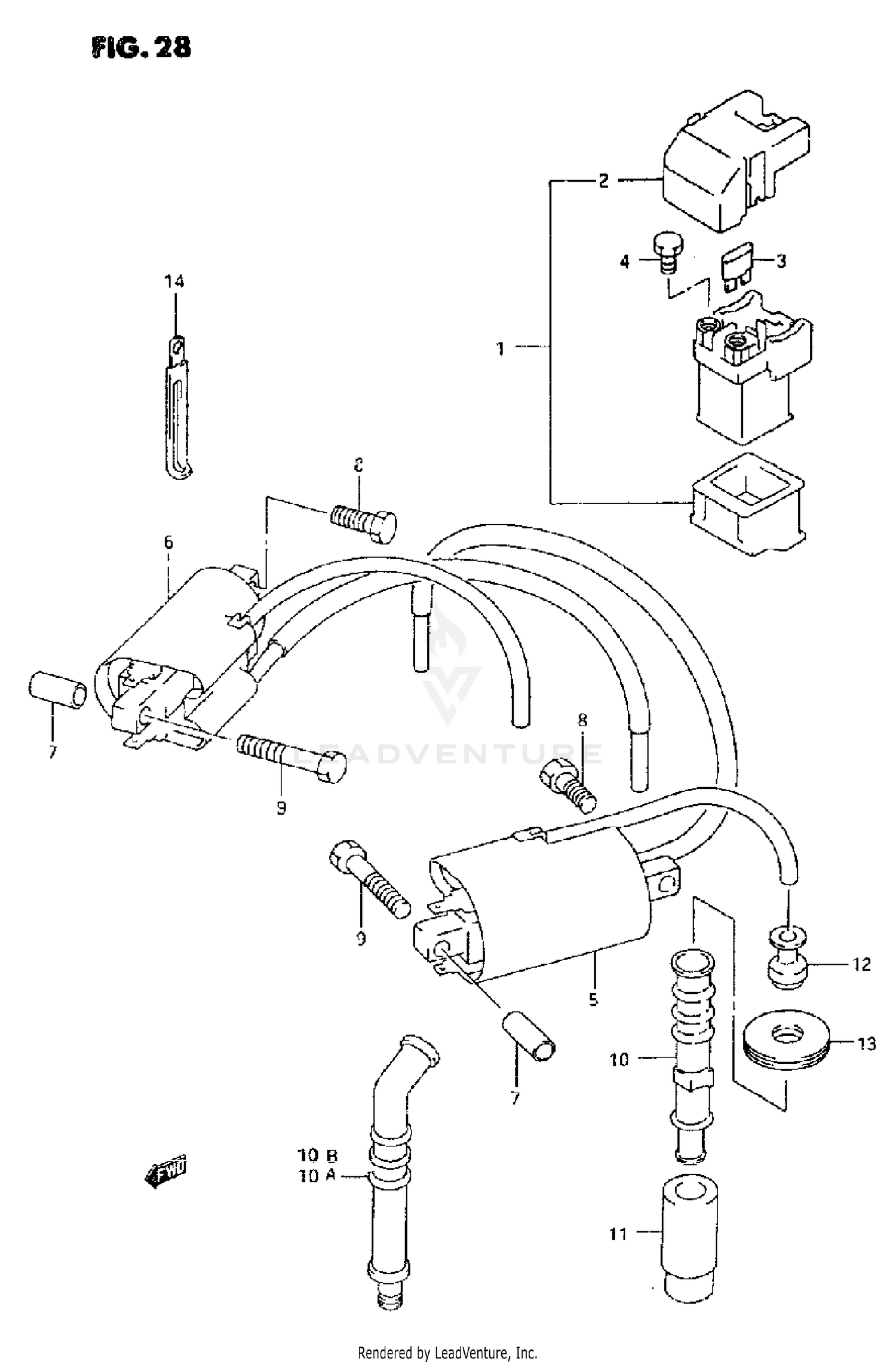
1995 Suzuki RF600R ELECTRICAL

Set this as my ride
ELECTRICAL

WARNING Cancer and Reproductive Harm www.P65Warnings.ca.gov.

  • # Part Retail Our Price
    Stock Status Suggested Quantity
  • 1
    31800-21E10 relay, starting motor Retail: $113.82 Price: $96.75
    Expected to Ship in 4-9 Days
  • 2
    31861-21E10 cover
    This part is currently unavailable.
  • 3
    In Stock
  • 4
    09128-06013 bolt Price: $1.73
    In Stock
  • 5
    33410-21E01 coil assy,ignit Supersedes: 33410-21E00 (COIL, IGNITION NO.1)
    This part is currently unavailable.
  • 6
    33420-21E01 coil assy,ignit Supersedes: 33420-21E00 (COIL, IGNITION NO.2) Retail: $161.79 Price: $137.52
    Expected to Ship in 4-9 Days
  • 7
    Expected to Ship in 4-9 Days
  • 8
    01500-0620A bolt, gear shift link Supersedes: 01500-06203 (BOLT) Price: $2.47
    In Stock
  • 9
    09117-06043 bolt Supersedes: 09100-06123 (BOLT (6X40)) Price: $3.99
    Expected to Ship in 4-9 Days
  • 10
    33510-17E00 cap, spark plug MODEL R
    This part is currently unavailable.
  • 10
    33510-17E11 cap, spark plug MODEL S Supersedes: 33510-17E10 (CAP, SPARK PLUG)
    This part is currently unavailable.
  • 10
    33510-17E11 cap, spark plug MODEL T
    This part is currently unavailable.
  • 11
    33541-20C00 seal, plug Retail: $14.52 Price: $13.65
    Expected to Ship in 4-9 Days
  • 12
    In Stock
  • 13
    33543-17E01 cover
    This part is currently unavailable.
  • 14
    09404-06036 clamp(l:80) MODEL R Supersedes: 09404-06434 (CLAMP(L:80)) Price: $2.44
    In Stock
  • 14
    09404-06039 clamp MODEL S/T Supersedes: 09404-06431 (CLAMP, HIGH TENSION CARD) Price: $2.40
    In Stock
Added to your cart
CLOSE