Kickstart your Riding Season with Bike Prep and Riding Gear Shop Now
CLOSE
Shipping to US Flag United States
Free shipping over $79
Moto Madness Sale | Get Up To 65% Off Parts & Gear Shop Now

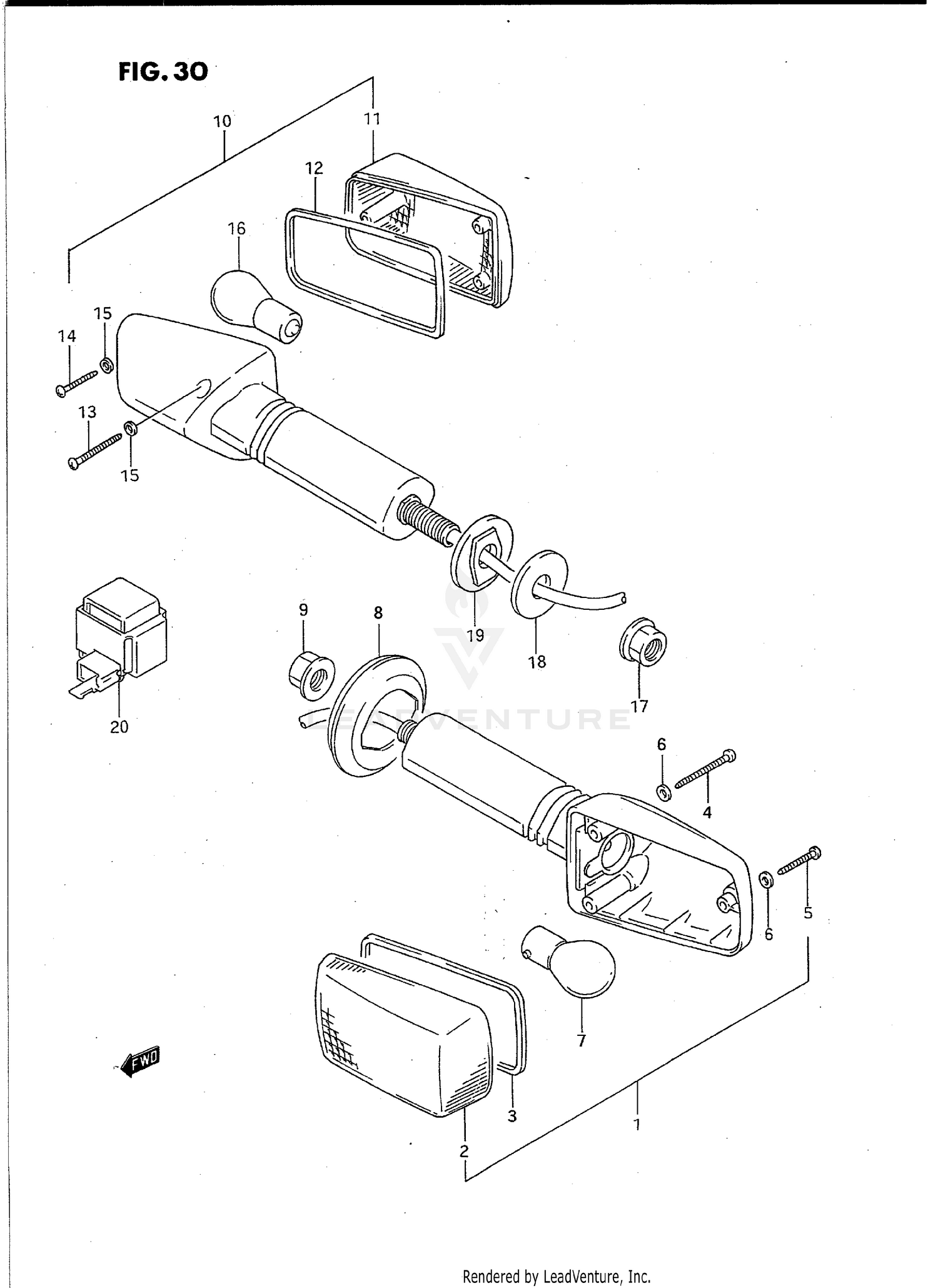
1994 Suzuki GSXR750WS TURNSIGNAL LAMP

Set this as my ride
TURNSIGNAL LAMP

WARNING Cancer and Reproductive Harm www.P65Warnings.ca.gov.

All 1994 Suzuki GSXR750WS Part Groups
Added to your cart
CLOSE