Acerbis Plastic Kits Starting At $119.99 Shop Now
CLOSE
Shipping to US Flag United States
Free shipping over $79
Bargain Bin Blowout! | Save 40-90% Off! Shop Now

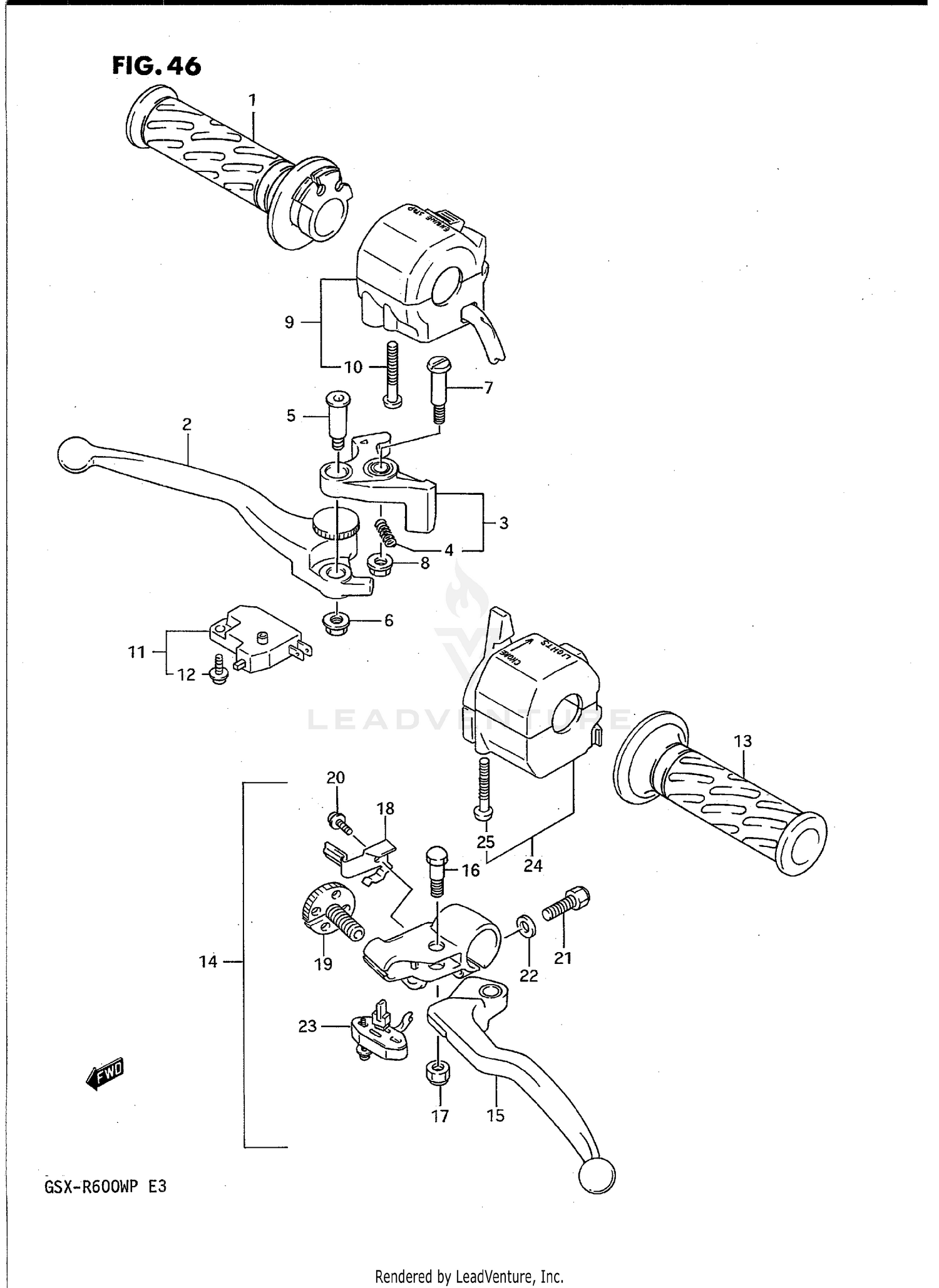
1993 Suzuki GSXR600 HANDLE SWITCH

Set this as my ride
HANDLE SWITCH

WARNING Cancer and Reproductive Harm www.P65Warnings.ca.gov.

  • # Part Retail Our Price
    Stock Status Suggested Quantity
  • 1
    57110-22D03 grip, throttle Supersedes: 57110-07E01 (GRIP,THROTTLE) Retail: $36.08 Price: $33.92
    Expected to Ship in 4-9 Days
  • 2
    57420-32C00 lever, adjust Retail: $35.72 Price: $33.58
    Expected to Ship in 4-9 Days
  • 3
    57430-40C10 knocker Includes Item(s) 4 Supersedes: 57430-40C00 (KNOCKER) Retail: $64.00 Price: $59.52
    Expected to Ship in 4-9 Days
  • 4
    Expected to Ship in 4-9 Days
  • 5
    57437-32C01 bolt, lever Supersedes: 57437-32C00 (BOLT, LEVER) Price: $10.70
    Expected to Ship in 4-9 Days
  • 6
    08319-3106A nut Supersedes: 08319-31065 (NUT) Price: $2.82
    In Stock
  • 7
    Expected to Ship in 4-9 Days
  • 8
    08316-1006B nut Supersedes: 08316-16064 (NUT) Price: $3.47
    In Stock
  • 9
    37200-26E30 switch assy,han Includes Item(s) 10 Supersedes: 37200-17E30 (SWITCH ASSY, HANDLE RH)
    This part is currently unavailable.
  • 10
    02112-0545B .screw Supersedes: 02112-05453 (SCREW) Price: $3.13
    Expected to Ship in 4-9 Days
  • 11
    57460-14J02 switch assy,fr brake Includes Item(s) 12 Supersedes: 57460-17C11 (SWITCH ASSY,FRT) Retail: $47.51 Price: $44.66
    In Stock
  • 12
    57465-17C00 screw Price: $2.75
    Expected to Ship in 4-9 Days
  • 13
    57211-22D02-291 grip, lh (black) Supersedes: 57211-22D01-291 (GRIP, LH (BLACK)) Retail: $17.98 Price: $16.90
    In Stock
  • 14
    57500-18D10 lever assy, clutch Includes Item(s) 15 - 23
    This part is currently unavailable.
  • 15
    57620-27A31 lever, clutch Supersedes: 57620-19C01 (LEVER) Retail: $27.33 Price: $25.69
    Expected to Ship in 4-9 Days
  • 16
    57431-49110 bolt Price: $9.22
    Expected to Ship in 4-9 Days
  • 17
    08319-2106B .nut Supersedes: 08319-21065 (NUT) Price: $3.21
    In Stock
  • 18
    57644-20A02 adjuster, cable
    This part is currently unavailable.
  • 19
    57641-33E21 .nut, cable adjuster Supersedes: 57641-33E20 (NUT, CABLE ADJUSTER) Retail: $44.39 Price: $41.73
    Expected to Ship in 4-9 Days
  • 20
    02112-7408B screw Supersedes: 02112-74083 (SCREW) Price: $3.28
    Expected to Ship in 4-9 Days
  • 21
    01204-06204 bolt Retail: $3.30 Price: $0.77
    In Stock
  • 22
    08322-0106B .washer Supersedes: 08322-21064 (WASHER) Price: $3.13
    In Stock
  • 23
    57560-18D10 switch assy, clutch Supersedes: 57560-08A00 (SWITCH, CLUTCH)
    This part is currently unavailable.
  • 24
    37400-17E31 switch assy, handle lh Includes Item(s) 25 Supersedes: 37400-17E30 (SWITCH ASSY, HANDLE LH) Retail: $163.78 Price: $139.21
    Expected to Ship in 4-9 Days
  • 25
    02112-0545B .screw Supersedes: 02112-05453 (SCREW) Price: $3.13
    Expected to Ship in 4-9 Days
Added to your cart
CLOSE