LUCKY YOU! Extra 10% Off Clearance | Use Code POTOGOLD10 Limited Time! Ends 3/21 Shop Now
CLOSE
Shipping to US Flag United States
Free shipping over $79
Moto Madness Sale | Get Up To 65% Off Parts & Gear Shop Now

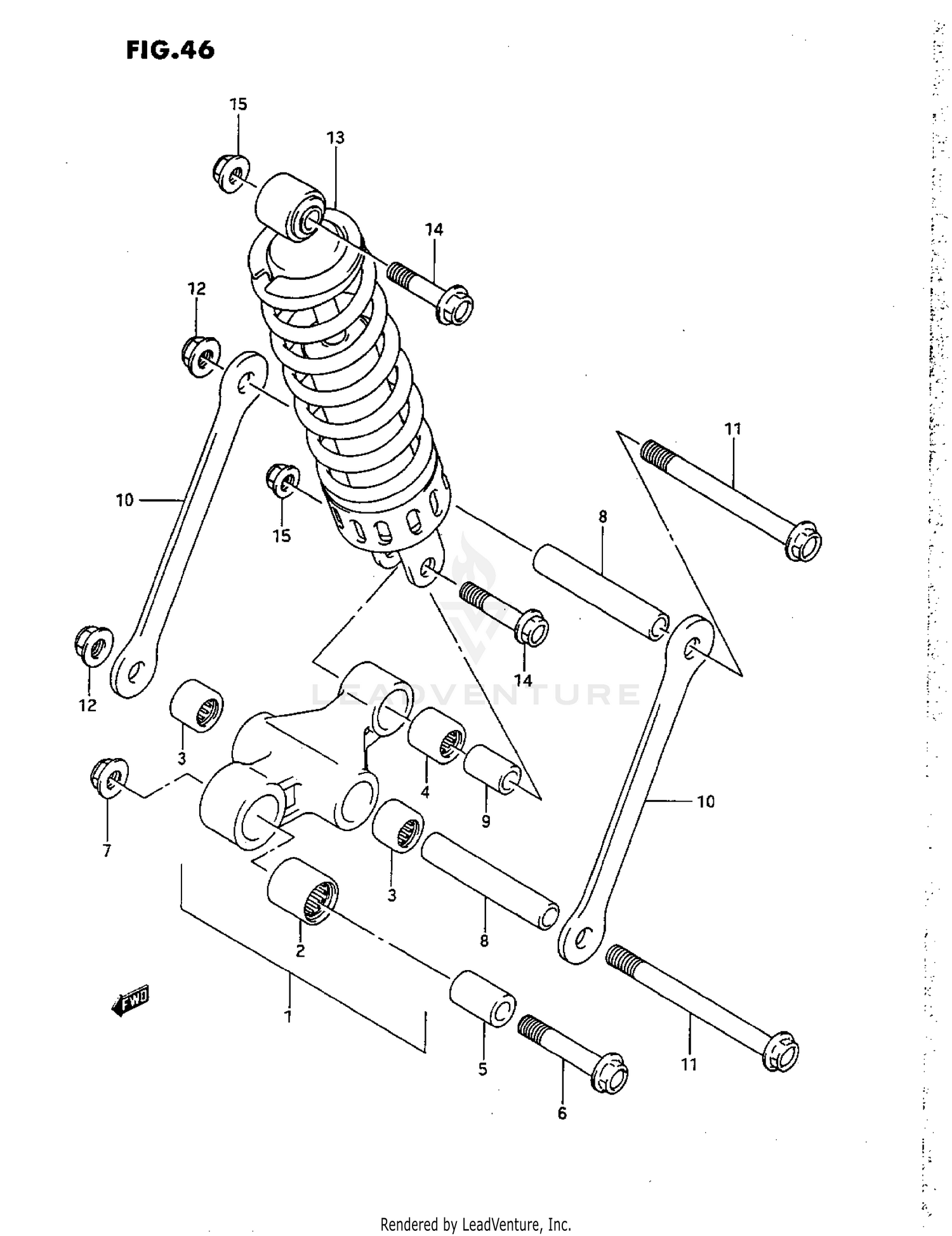
1993 Suzuki GS500E CUSHION LEVER (K/L)

Set this as my ride
CUSHION LEVER (K/L)

WARNING Cancer and Reproductive Harm www.P65Warnings.ca.gov.

  • # Part Retail Our Price
    Stock Status Suggested Quantity
  • 1
    62601-01810 lever set, rear cushion
    This part is currently unavailable.
  • 2
    09263-20120 .bearing Supersedes: 09263-20064 (BEARING, FRONT) Retail: $27.74 Price: $26.08
    Expected to Ship in 4-9 Days
  • 3
    09263-17053 .bearing (17x24x25) Supersedes: 09263-17037 (BEARING) Retail: $26.38 Price: $24.80
    Expected to Ship in 4-9 Days
  • 4
    09263-17057 .bearing (17x24x26) Supersedes: 09263-17034 (BEARING) Retail: $25.76 Price: $24.21
    Expected to Ship in 4-9 Days
  • 5
    62684-01D00 spacer, rr cushion lever rr Supersedes: 62684C01D00J000 (SPACER, FRONT (12X20X30)) Retail: $20.93 Price: $19.67
    Expected to Ship in 4-9 Days
  • 6
    Expected to Ship in 4-9 Days
  • 7
    08319-3112A nut Supersedes: 08319-31128 (NUT) Price: $5.26
    Expected to Ship in 4-9 Days
  • 8
    09180-12125 spacer, center Supersedes: 09180-12128 (SPACER, CENTER (12X17X89)) Retail: $27.82 Price: $26.15
    Expected to Ship in 4-9 Days
  • 9
    62684-40A10 spacer, rear Supersedes: 62684C01D10J000 (SPACER, REAR (10X17X30)) Retail: $15.44 Price: $14.51
    Expected to Ship in 4-9 Days
  • 10
    62641-01D02 rod, rear cushion Supersedes: 62641C01D02J000 (ROD, REAR CUSHION) Retail: $30.21 Price: $28.40
    Expected to Ship in 4-9 Days
  • 11
    09103-12041 bolt, center Supersedes: 09103C12041J000 (BOLT, CENTER (12X118)) Retail: $15.48 Price: $14.55
    Expected to Ship in 4-9 Days
  • 12
    08319-3112A nut Supersedes: 08319-31128 (NUT) Price: $5.26
    Expected to Ship in 4-9 Days
  • 13
    62100-01D10 absorber assy, rear shock Supersedes: 62100-01D01 (ABSORBER ASSY, REAR SHOCK) Retail: $547.42 Price: $459.83
    Expected to Ship in 4-9 Days
  • 14
    09103-10213 bolt Price: $6.98
    Expected to Ship in 4-9 Days
  • 15
    08319-31107 nut Supersedes: 08319-31108 (NUT) Price: $3.77
    In Stock
Added to your cart
CLOSE