Get Out and Ride | Dialed Gear. Tuned Parts. Dirt Ready. Shop Now
CLOSE
Shipping to US Flag United States
Free shipping over $79
My Ride: 2015 Suzuki KING QUAD 750AXi 4X4
BOGOS | Buy One Get One Deals Shop Now

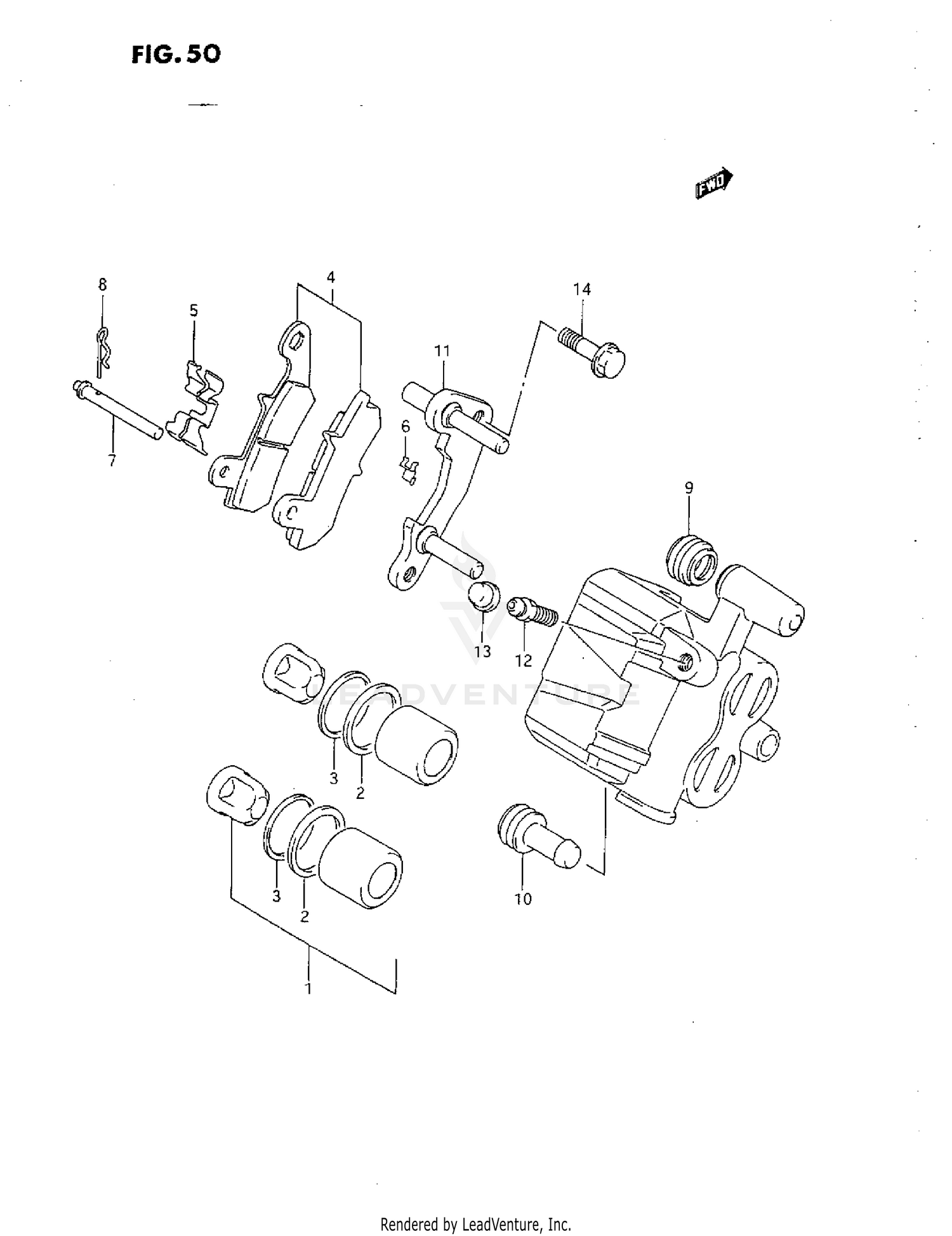
1993 Suzuki DR650S REAR CALIPER

Set this as my ride
REAR CALIPER

WARNING Cancer and Reproductive Harm www.P65Warnings.ca.gov.

Added to your cart
CLOSE