Kickstart your Riding Season with Bike Prep and Riding Gear Shop Now
CLOSE
Shipping to US Flag United States
Free shipping over $79
Bargain Bin Blowout! | Save 40-90% Off! Shop Now

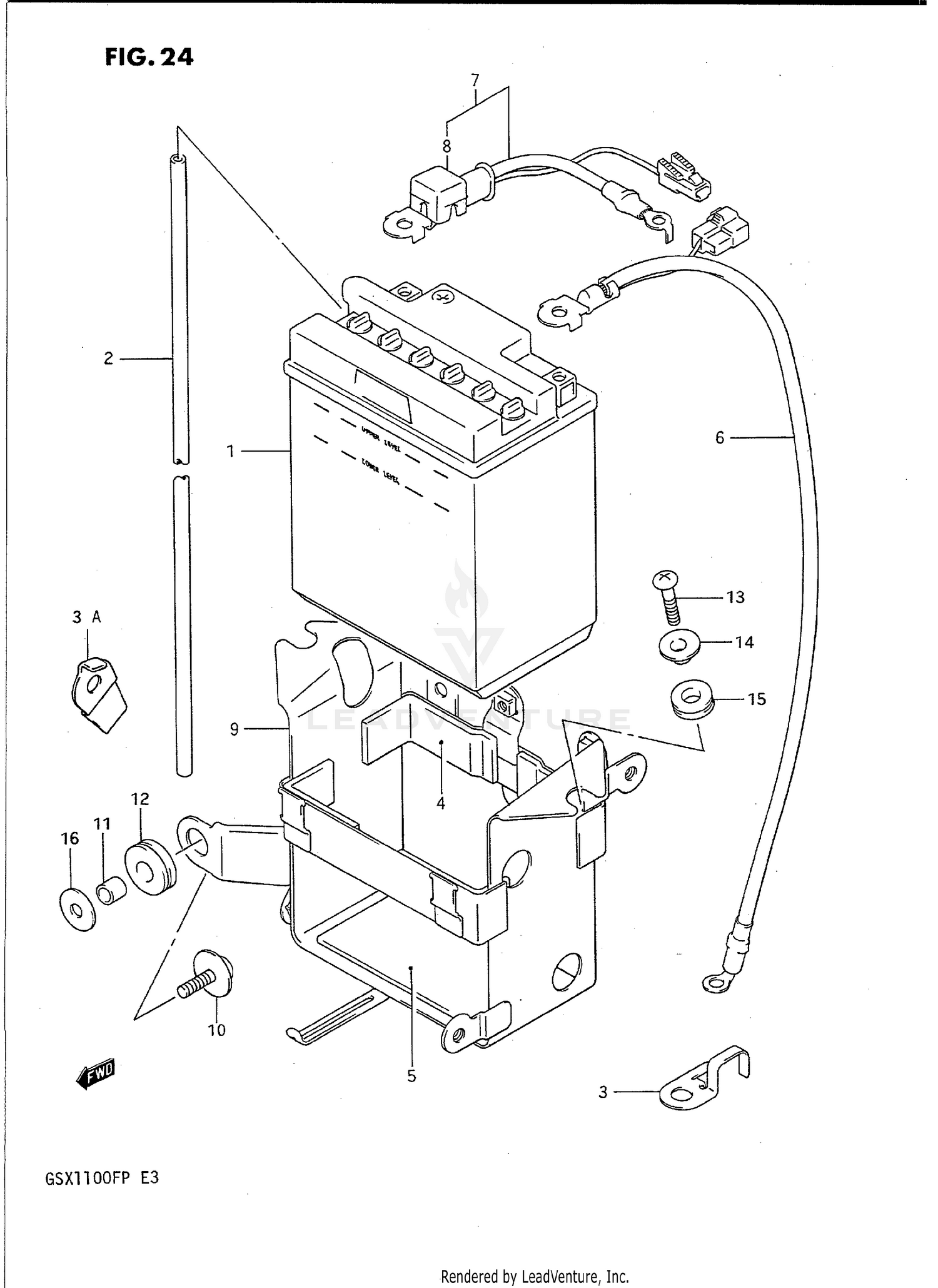
1992 Suzuki GSX1100FP BATTERY

Set this as my ride
BATTERY

WARNING Cancer and Reproductive Harm www.P65Warnings.ca.gov.

  • # Part Retail Our Price
    Stock Status Suggested Quantity
  • 1
    33610-05A10 battery assy (12v,14ah) Supersedes: 33610-05A30 (BATTERY (12V,14AH))
    This part is currently unavailable.
  • 2
    33680-16A11 hose,battery ex L:700->650 Supersedes: 33680-14A00 (HOSE, BATTERY EXHAUST) Price: $8.43
    Expected to Ship in 4-9 Days
  • 2
    33680-16A11 hose,battery ex L:600 Supersedes: 33680-31003 (HOSE, BATTERY EXHAUST) Price: $8.43
    Expected to Ship in 4-9 Days
  • 3
    33672-48B00 clamp, battery exhaust hose
    This part is currently unavailable.
  • 3A
    33672-48B11 clamp, battery exhaust hose
    This part is currently unavailable.
  • 4
    33651-37000 cushion, rear fender rear Supersedes: 33652-29100 (PROTECTOR (170X95X3.0)) Price: $6.36
    In Stock
  • 5
    33651-37000 cushion CUT AS REQUIRED PROFILE(50X115) Supersedes: 33652-29100 (PROTECTOR (170X95X3.0)) Price: $6.36
    In Stock
  • 6
    33860-48B00 lead wire, battery (-)
    This part is currently unavailable.
  • 7
    33820-48B01 wire,batt plus Includes Item(s) 8 Supersedes: 33820-48B00 (WIRE, BATTERY PLUS LEAD)
    This part is currently unavailable.
  • 8
    33624-35B00 cap, battery plus Supersedes: 33624-24500 (CAP, TERMINAL) Price: $7.97
    Expected to Ship in 4-9 Days
  • 9
    41540-48B02 holder, battery MODEL J
    This part is currently unavailable.
  • 9
    41540-48C00 holder, battery MODEL K/L Retail: $89.19 Price: $82.95
    Expected to Ship in 4-9 Days
  • 9
    41540-48C00 holder, battery MODEL M/N/P Supersedes: 41540-48C10 (HOLDER, BATTERY) Retail: $89.19 Price: $82.95
    Expected to Ship in 4-9 Days
  • 10
    09136-06121 screw (6x16) Supersedes: 09136-06102 (SCREW (6X16)) Price: $3.88
    Expected to Ship in 4-9 Days
  • 11
    09180-06262 spacer Supersedes: 09180-06152 (SPACER (6.4X9X8.5)) Price: $3.44
    In Stock
  • 12
    09320-09502 cushion Supersedes: 09320-09021 (CUSHION) Retail: $5.05 Price: $0.77
    In Stock
  • 13
    02142-0620A screw Supersedes: 02142-06205 (SCREW) Price: $1.93
    In Stock
  • 14
    In Stock
  • 15
    09320-08511 cushion Supersedes: 09320-08030 (CUSHION) Price: $2.61
    Expected to Ship in 4-9 Days
  • 16
    09160-06054 washer Supersedes: 09160-06503 (WASHER) Price: $2.25
    In Stock
Added to your cart
CLOSE