Kickstart your Riding Season with Bike Prep and Riding Gear Shop Now
CLOSE
Shipping to US Flag United States
Free shipping over $79
Moto Madness Sale | Get Up To 65% Off Parts & Gear Shop Now

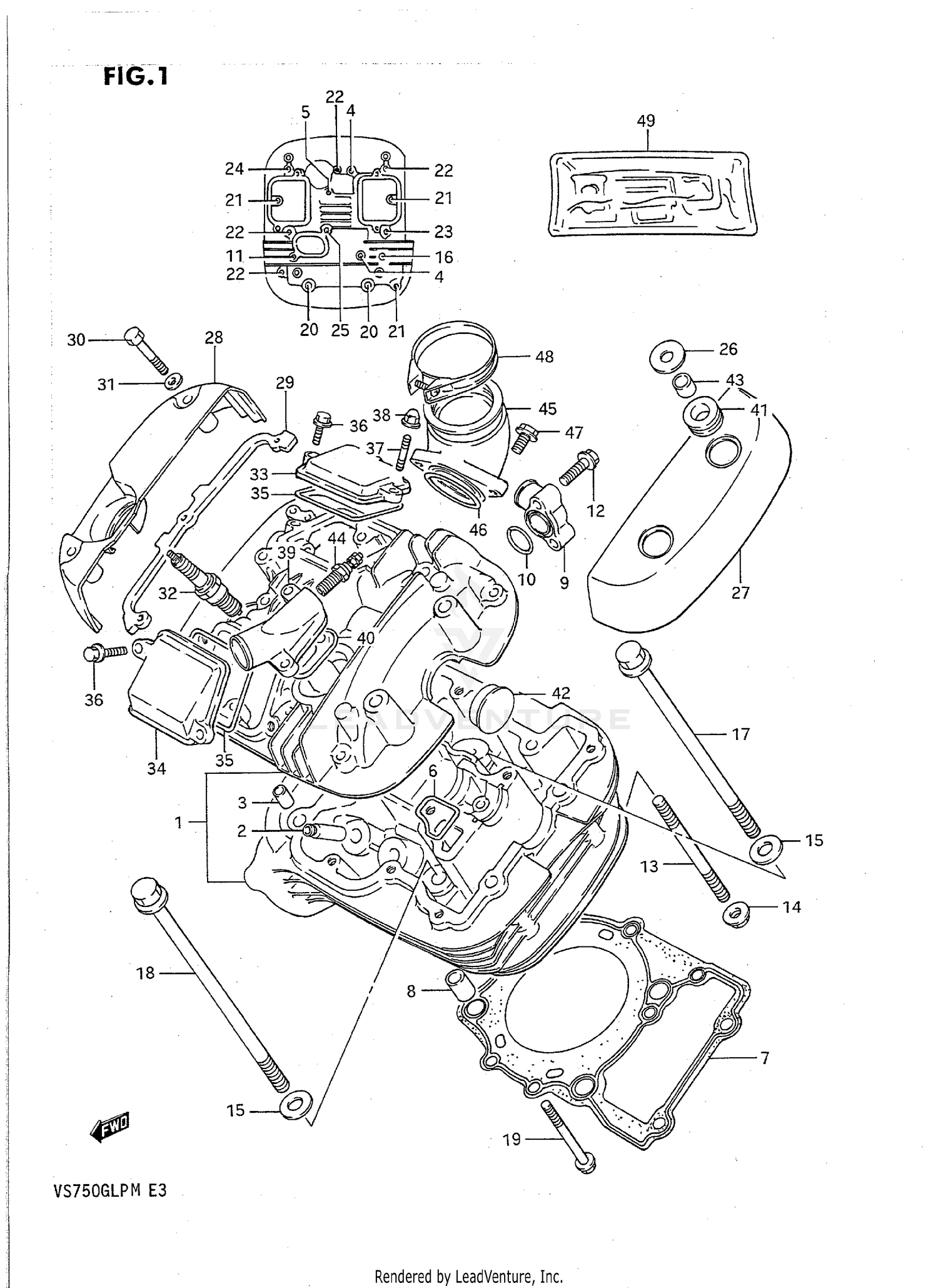
1991 Suzuki INTRUDER 750 - VS750GLPM CYLINDER HEAD (FRONT)

Set this as my ride
CYLINDER HEAD (FRONT)

WARNING Cancer and Reproductive Harm www.P65Warnings.ca.gov.

Added to your cart
CLOSE