Acerbis Plastic Kits Starting At $119.99 Shop Now
CLOSE
Shipping to US Flag United States
Free shipping over $79
Fast Cash Week Ends Tomorrow | Earn $10 When you Spend $99 + $25 When You Spend $199 Shop Now

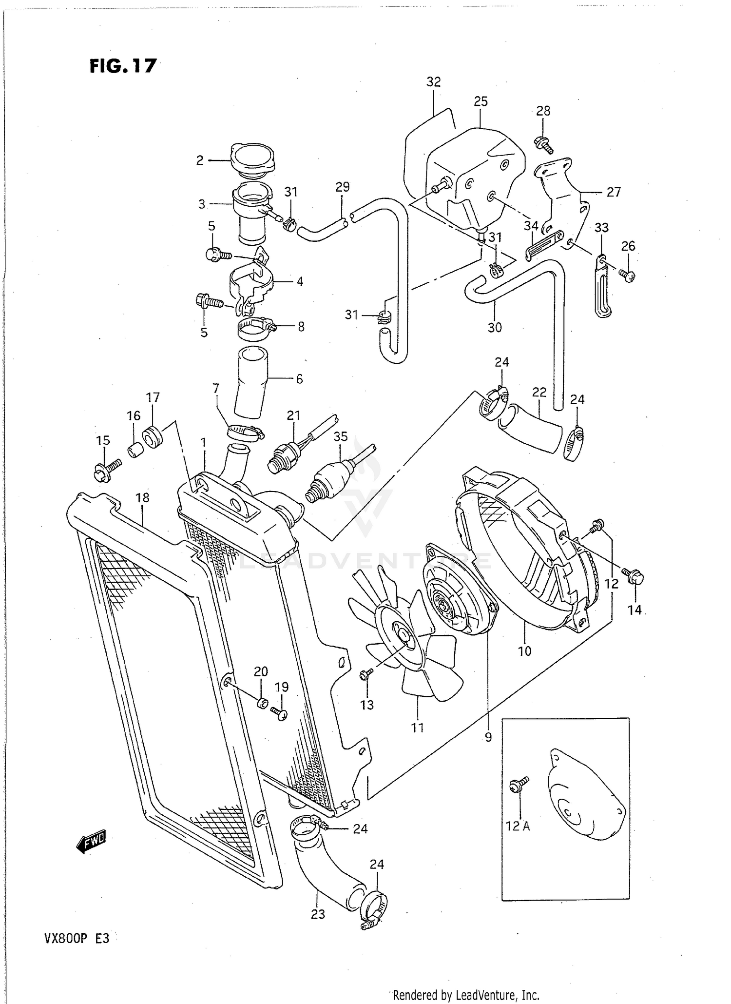
1990 Suzuki VX800P RADIATOR

Set this as my ride
RADIATOR

WARNING Cancer and Reproductive Harm www.P65Warnings.ca.gov.

  • # Part Retail Our Price
    Stock Status Suggested Quantity
  • 1
    17710-45C10 no description available Supersedes: 17710-45C00 (RADIATOR) Retail: $847.21 Price: $711.66
    Expected to Ship in 4-9 Days
  • 2
    17730-08J00 cap, radiator Supersedes: 17730-12C01 (CAP, RADIATOR) Retail: $52.50 Price: $48.83
    In Stock
  • 3
    17791-45C00 conduction, radiator Retail: $46.07 Price: $43.31
    Expected to Ship in 4-9 Days
  • 4
    17793-45C00 bracket, conduction
    This part is currently unavailable.
  • 5
    01550-0616A bolt Supersedes: 01550-06163 (BOLT, HOLDER) Price: $2.73
    In Stock
  • 6
    17859-45C00 hose, conduction Retail: $12.82 Price: $12.05
    Expected to Ship in 4-9 Days
  • 7
    09402-32511 clamp Supersedes: 09402-30502 (CLAMP) Retail: $13.42 Price: $12.61
    Expected to Ship in 4-9 Days
  • 8
    09402-32502 clamp
    This part is currently unavailable.
  • 9
    17800-45C01 fan assy MODEL L/M Supersedes: 17800-45C00 (FAN ASSY)
    This part is currently unavailable.
  • 9
    17800-45C01 fan assy MODEL N/P; Includes Item(s) 10 - 13
    This part is currently unavailable.
  • 10
    17760-45C01 shroud MODEL L/M Supersedes: 17760-45C00 (SHROUD) Retail: $68.99 Price: $64.16
    Expected to Ship in 4-9 Days
  • 10
    17760-45C01 shroud MODEL N/P Retail: $68.99 Price: $64.16
    Expected to Ship in 4-9 Days
  • 11
    17820-45C00 fan Retail: $78.34 Price: $72.86
    Expected to Ship in 4-9 Days
  • 12
    02112-75105 screw MODEL L/M Price: $1.40
    Expected to Ship in 4-9 Days
  • 12A
    17801-45C00 screw MODEL N/P Price: $1.65
    Expected to Ship in 4-9 Days
  • 13
    02112-0406B screw Supersedes: 02112-04063 (SCREW) Price: $2.16
    In Stock
  • 14
    01550-06107 bolt Supersedes: 01517-06108 (BOLT) Price: $3.39
    Expected to Ship in 4-9 Days
  • 15
    09116-06131 bolt (6x25) Retail: $2.88 Price: $1.77
    In Stock
  • 16
    09180-06310 spacer (6.5x10x10) Supersedes: 09180-06030 (SPACER) Price: $2.68
    In Stock
  • 17
    09320-10015 cushion Supersedes: 09320C10015J000 (CUSHION) Price: $3.39
    Expected to Ship in 4-9 Days
  • 18
    17761-45C00 cover, radiator
    This part is currently unavailable.
  • 19
    09139-06078 screw (6x10) MODEL L Price: $3.86
    Expected to Ship in 4-9 Days
  • 19
    09139-06055 screw (6x10) MODEL M/N Supersedes: 09139-06055-A05 (BOLT (6X10)) Price: $1.92
    In Stock
  • 19
    02142-06108 screw MODEL P
    This part is currently unavailable.
  • 20
    09180-06102 spacer (6.4x9x3.5)
    This part is currently unavailable.
  • 21
    17680-45C00 switch, radiator fan Retail: $118.87 Price: $101.04
    Expected to Ship in 4-9 Days
  • 22
    17851-45C00 hose, radiator in Retail: $12.50 Price: $11.75
    Expected to Ship in 4-9 Days
  • 23
    17852-45C00 hose, radiator out Retail: $13.32 Price: $12.52
    Expected to Ship in 4-9 Days
  • 24
    09402-32511 clamp Supersedes: 09402-30502 (CLAMP) Retail: $13.42 Price: $12.61
    Expected to Ship in 4-9 Days
  • 25
    17911-45C10 no description available Supersedes: 17911-45C00 (TANK, RESERVOIR)
    This part is currently unavailable.
  • 26
    02142-0608A screw Supersedes: 02142-06083 (SCREW, TANK SIDE) Price: $1.82
    In Stock
  • 27
    17920-45C00 bracket, reservoir tank
    This part is currently unavailable.
  • 28
    01550-0620A bolt Supersedes: 01517-06204 (BOLT) Price: $2.73
    In Stock
  • 29
    17981-45C00 hose, tank in Retail: $17.72 Price: $16.66
    Expected to Ship in 4-9 Days
  • 30
    17981-21810 hose, reservoir tank inlet Supersedes: 17982-45C00 (HOSE, TANK OUT) Retail: $46.29 Price: $43.51
    Expected to Ship in 4-9 Days
  • 31
    09401-08411 clip MODEL L Supersedes: 09401-08411-A05 (CLIP) Price: $2.47
    In Stock
  • 31
    09401-08411 clip MODEL M/N/P Supersedes: 09401-08411-A05 (CLIP) Price: $2.47
    In Stock
  • 32
    17930-45C00 emblem, reservior tank Retail: $18.48 Price: $17.37
    Expected to Ship in 4-9 Days
  • 33
    09404-06039 clamp Supersedes: 09404-06403 (CLAMP (L:70)) Price: $2.40
    In Stock
  • 34
    09404-06039 clamp Supersedes: 09404-06401 (CLAMP (L:50)) Price: $2.40
    In Stock
  • 35
    34850-03D00 switch, water temperature Retail: $129.31 Price: $109.91
    Expected to Ship in 4-9 Days
Added to your cart
CLOSE