Get Out and Ride | Dialed Gear. Tuned Parts. Dirt Ready. Shop Now
CLOSE
Shipping to US Flag United States
Free shipping over $79
My Ride: 2002 Honda TRX250EX Sportrax
BOGOS | Buy One Get One Deals Shop Now

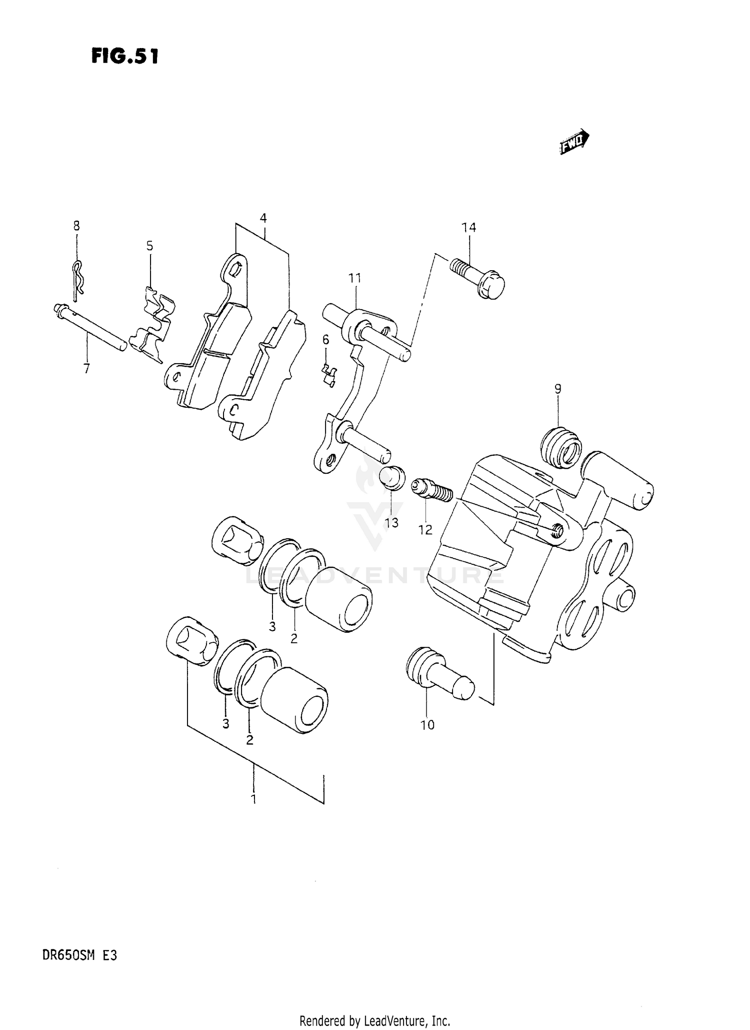
1990 Suzuki DR650SM REAR CALIPER

Set this as my ride
REAR CALIPER

WARNING Cancer and Reproductive Harm www.P65Warnings.ca.gov.

  • # Part Retail Our Price
    Stock Status Suggested Quantity
  • 69100-12D01 caliper assy, rear Includes Item(s) 1 - 13 Supersedes: 69100-44B00 (CALIPER ASSY, REAR)
    This part is currently unavailable.
  • 1
    69100-44851 piston set Supersedes: 69100-44850 (PISTON SET) Retail: $46.60 Price: $43.80
    Expected to Ship in 4-9 Days
  • 2
    59107-40F00 seal,piston Supersedes: 59107-04A00 (SEAL, PISTON) Retail: $11.83 Price: $11.12
    Expected to Ship in 4-9 Days
  • 3
    59108-04A00 seal, wiper Retail: $11.64 Price: $10.94
    Expected to Ship in 4-9 Days
  • 4
    69100-12810 pad set Supersedes: 69100-44860 (PAD SET)
    This part is currently unavailable.
  • 5
    69115-44B00 spring
    This part is currently unavailable.
  • 6
    Expected to Ship in 4-9 Days
  • 7
    69141-44B02 .pin, pad Supersedes: 69141-44B00 (PIN) Retail: $13.49 Price: $12.68
    Expected to Ship in 4-9 Days
  • 8
    In Stock
  • 9
    In Stock
  • 10
    In Stock
  • 11
    69150-44B00 bracket
    This part is currently unavailable.
  • 12
    59121-18410 bleeder Retail: $10.78 Price: $10.13
    In Stock
  • 13
    55156-66310 cap, bleeder Supersedes: 59122-18410 (CAP) Price: $7.34
    In Stock
  • 14
    09103-08259 bolt Price: $5.45
    Expected to Ship in 4-9 Days
Added to your cart
CLOSE