Acerbis Plastic Kits Starting At $119.99 Shop Now
CLOSE
Shipping to US Flag United States
Free shipping over $79
Fast Cash Week Ends Today! | Earn $10 When you Spend $99 + $25 When You Spend $199 Shop Now

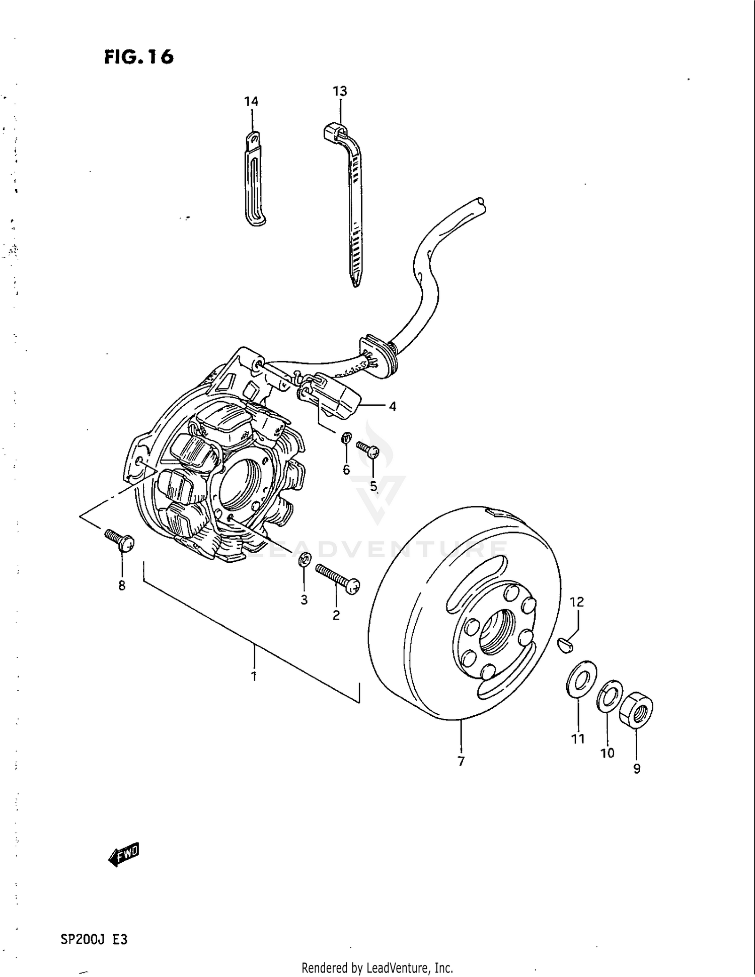
1987 Suzuki SP200 MAGNETO

Set this as my ride
MAGNETO

WARNING Cancer and Reproductive Harm www.P65Warnings.ca.gov.

  • # Part Retail Our Price
    Stock Status Suggested Quantity
  • 1
    32101-44A02 no description available ~E.NO.107112 Supersedes: 32101-42A01 (STATOR ASSY) Retail: $441.06 Price: $370.49
    Expected to Ship in 4-9 Days
  • 1
    32101-44A02 no description available E.NO.107113~; Includes Item(s) 2 - 6 Supersedes: 32101-42A02 (STATOR ASSY) Retail: $441.06 Price: $370.49
    Expected to Ship in 4-9 Days
  • 2
    02112-0530A screw Supersedes: 02112-05303 (SCREW) Price: $2.50
    Expected to Ship in 4-9 Days
  • 3
    08321-0105A lock washer Supersedes: 08321-01053 (LOCK WASHER) Price: $2.55
    In Stock
  • 4
    32150-22A01 sensor, timing Retail: $102.04 Price: $86.73
    Expected to Ship in 4-9 Days
  • 5
    02112-0412A screw Supersedes: 02112-04123 (SCREW) Price: $1.73
    In Stock
  • 6
    08321-0104A lock washer Supersedes: 08321-01043 (LOCK WASHER) Price: $2.59
    In Stock
  • 7
    32102-42A02 rotor, flywheel ~E.NO.107112 Supersedes: 32102-42A01 (ROTOR, FLYWHEEL)
    This part is currently unavailable.
  • 7
    32102-42A02 rotor, flywheel E.NO.107113~
    This part is currently unavailable.
  • 8
    09139-05011 screw Price: $2.88
    Expected to Ship in 4-9 Days
  • 9
    09140-10041 nut Supersedes: 09140-10003 (NUT) Price: $2.88
    Expected to Ship in 4-9 Days
  • 10
    08321-01107 lock washer Supersedes: 08321-21107 (LOCK WASHER) Price: $2.55
    Expected to Ship in 4-9 Days
  • 11
    08322-01107 washer Supersedes: 08322-21108 (WASHER) Price: $2.61
    In Stock
  • 12
    08341-31039 key Price: $2.65
    In Stock
  • 13
    09407-14403 clamp MODEL G/H Supersedes: 09407-08401 (CLAMP (L:125)) Price: $3.13
    In Stock
  • 14
    09404-06036 clamp(l:80) Supersedes: 09404-06434 (CLAMP(L:80)) Price: $2.44
    In Stock
Added to your cart
CLOSE