LUCKY YOU! Extra 10% Off Clearance | Use Code POTOGOLD10 Limited Time! Ends 3/21 Shop Now
CLOSE
Shipping to US Flag United States
Free shipping over $79
My Ride: 2008 Kawasaki KX450F
Moto Madness Sale | Get Up To 65% Off Parts & Gear Shop Now

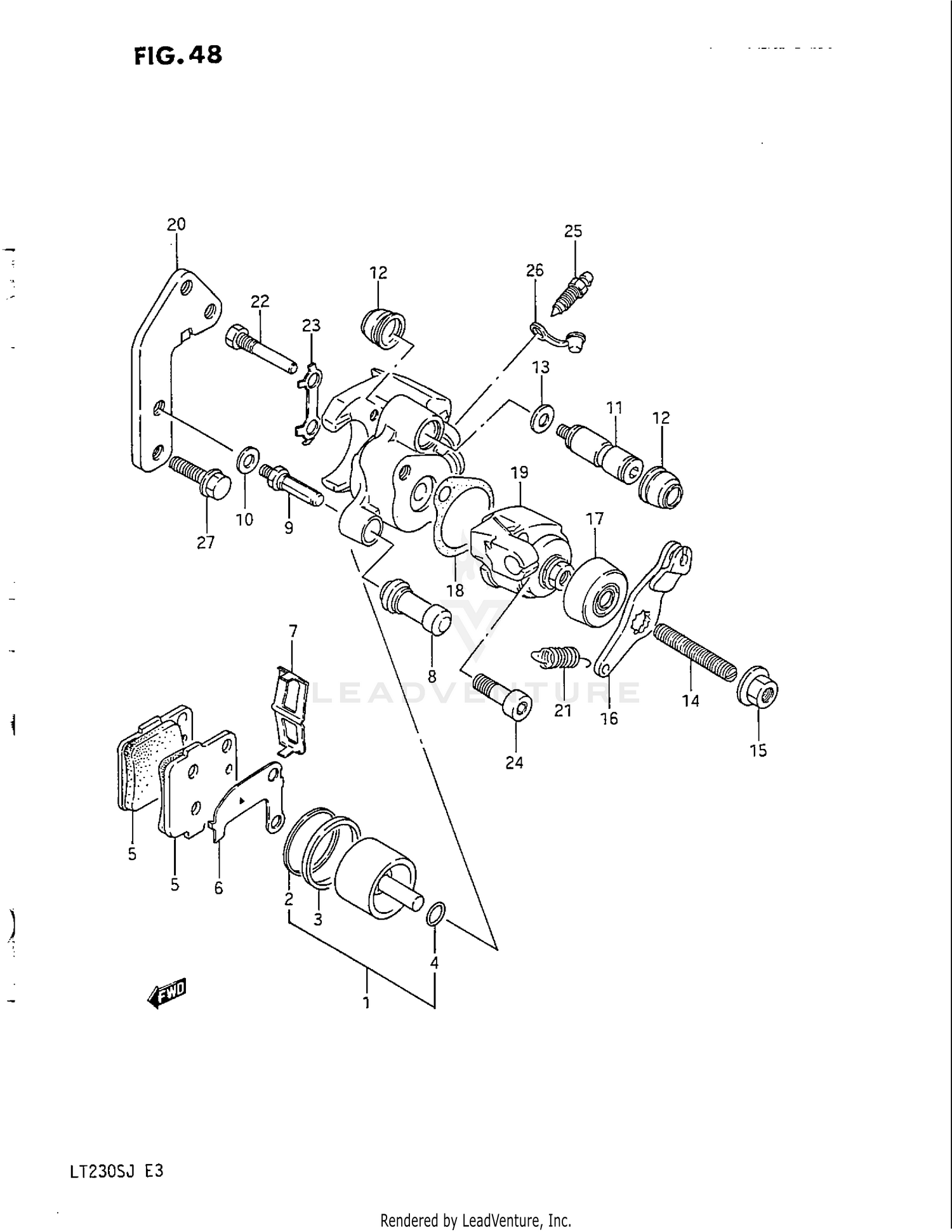
1987 Suzuki LT230S QUADSPORT REAR CALIPER (MODEL H/J)

Set this as my ride
REAR CALIPER (MODEL H/J)

WARNING Cancer and Reproductive Harm www.P65Warnings.ca.gov.

  • # Part Retail Our Price
    Stock Status Suggested Quantity
  • 69100-35B00 caliper assy, rear Includes Item(s) 1 - 26
    This part is currently unavailable.
  • 1
    69100-19841 piston set Supersedes: 69100-19840 (PISTON SET)
    This part is currently unavailable.
  • 2
    59108-13A00 dust seal
    This part is currently unavailable.
  • 3
    69100-13820 ..seal set,piston Supersedes: 59300-13840 (SEAL SET, PISTON) Retail: $10.82 Price: $10.17
    Expected to Ship in 4-9 Days
  • 4
    Expected to Ship in 4-9 Days
  • 5
    69100-19821 pad set Supersedes: 69140-19A11 (PAD) Retail: $75.49 Price: $70.21
    Expected to Ship in 4-9 Days
  • 6
    59371-13A00 shim Retail: $10.13 Price: $9.52
    Expected to Ship in 4-9 Days
  • 7
    59315-13A00 spring Retail: $11.91 Price: $11.20
    Expected to Ship in 4-9 Days
  • 8
    59386-13A00 boot Supersedes: 59386-0AE00 (BOOT) Price: $11.29
    In Stock
  • 9
    59382-13A00 bolt Price: $11.24
    Expected to Ship in 4-9 Days
  • 10
    Expected to Ship in 4-9 Days
  • 11
    69305-19A00 pin Retail: $25.23 Price: $23.72
    Expected to Ship in 4-9 Days
  • 12
    59303-13A00 boot Price: $8.48
    In Stock
  • 13
    Expected to Ship in 4-9 Days
  • 14
    69327-19A00 adjust bolt Retail: $21.85 Price: $20.54
    Expected to Ship in 4-9 Days
  • 15
    69323-19A00 nut Price: $6.08
    Expected to Ship in 4-9 Days
  • 16
    69325-35B00 arm Retail: $17.10 Price: $16.07
    Expected to Ship in 4-9 Days
  • 17
    69329-19A00 boot Price: $9.04
    In Stock
  • 18
    69326-19A01 packing Supersedes: 69326-19A00 (GASKET) Price: $11.48
    Expected to Ship in 4-9 Days
  • 19
    69320-35B00 brake, parking Retail: $138.45 Price: $117.68
    Expected to Ship in 4-9 Days
  • 20
    69351-35B00 bracket
    This part is currently unavailable.
  • 21
    Expected to Ship in 4-9 Days
  • 22
    59345-13A00 pin Price: $8.69
    Expected to Ship in 4-9 Days
  • 23
    Expected to Ship in 4-9 Days
  • 24
    69321-19A00 bolt Price: $11.19
    Expected to Ship in 4-9 Days
  • 25
    59121-01A00 bleeder Supersedes: 59121-0AE00 (BLEEDER) Retail: $10.78 Price: $10.13
    In Stock
  • 26
    59122-01A00 cap Price: $6.16
    In Stock
  • 27
    01550-0830A bolt Supersedes: 01517-08304 (BOLT) Price: $4.26
    Expected to Ship in 4-9 Days
Added to your cart
CLOSE