Kickstart your Riding Season with Bike Prep and Riding Gear Shop Now
CLOSE
Shipping to US Flag United States
Free shipping over $79
Moto Madness Sale | Get Up To 65% Off Parts & Gear Shop Now

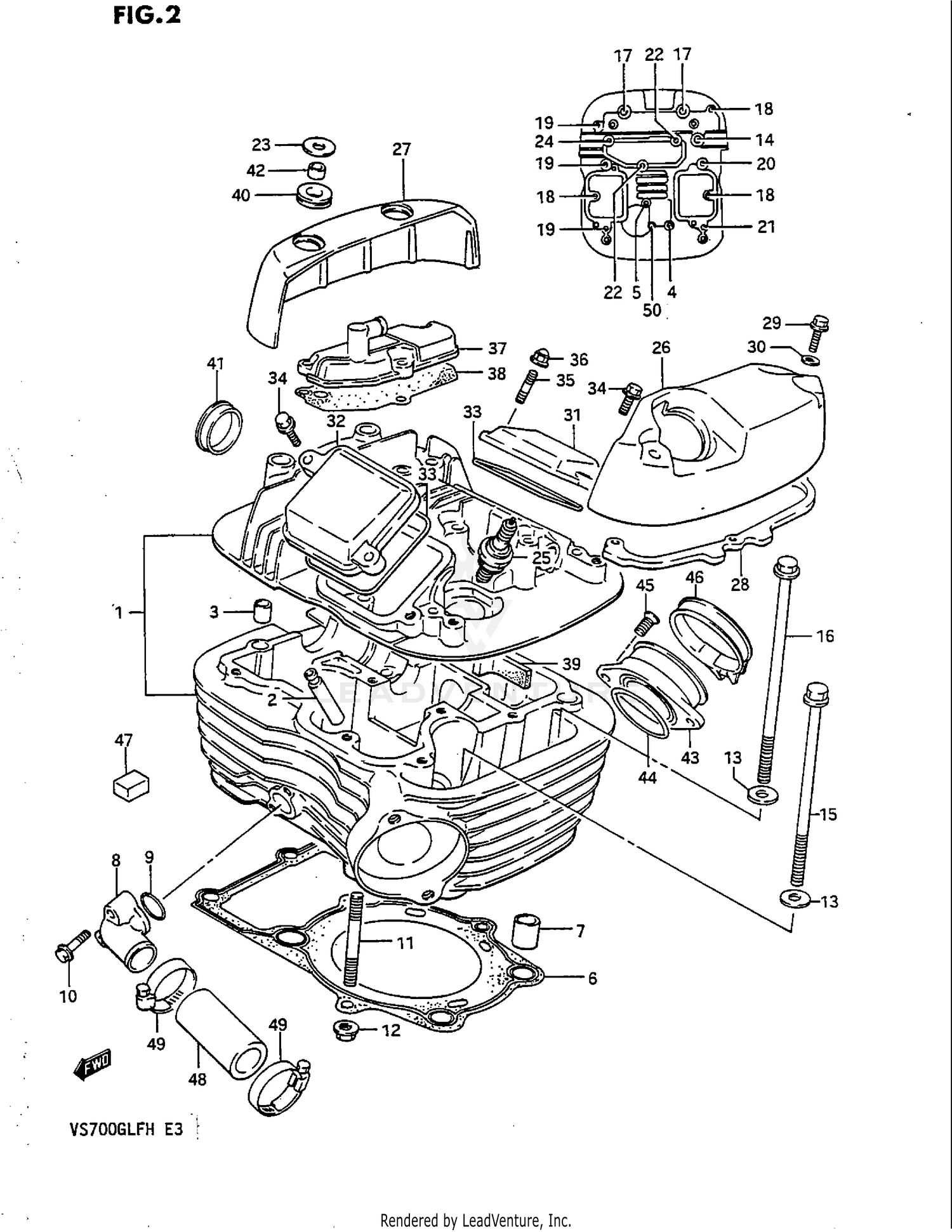
1987 Suzuki INTRUDER 700 - VS700GLP CYLINDER HEAD (REAR)

Set this as my ride
CYLINDER HEAD (REAR)

WARNING Cancer and Reproductive Harm www.P65Warnings.ca.gov.

All 1987 Suzuki INTRUDER 700 - VS700GLP Part Groups
Added to your cart
CLOSE