Kickstart your Riding Season with Bike Prep and Riding Gear Shop Now
CLOSE
Shipping to US Flag United States
Free shipping over $79
Bargain Bin Blowout! | Save 40-90% Off! Shop Now

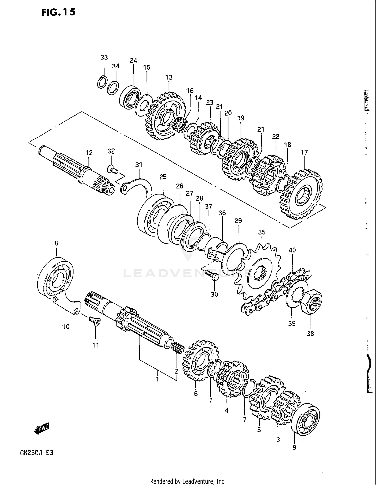
1987 Suzuki GN250 TRANSMISSION

Set this as my ride
TRANSMISSION

WARNING Cancer and Reproductive Harm www.P65Warnings.ca.gov.

Added to your cart
CLOSE