BOGOS End Tomorrow! | Buy One Get One Deals Shop Now
CLOSE
Shipping to US Flag United States
Free shipping over $79
My Ride: 2003 Harley Davidson Ultra Classic Electra Glide - FLHTCUI
Fast Cash Week Ends Tomorrow! | Earn $25 Fast Cash When You Spend $199 Learn More

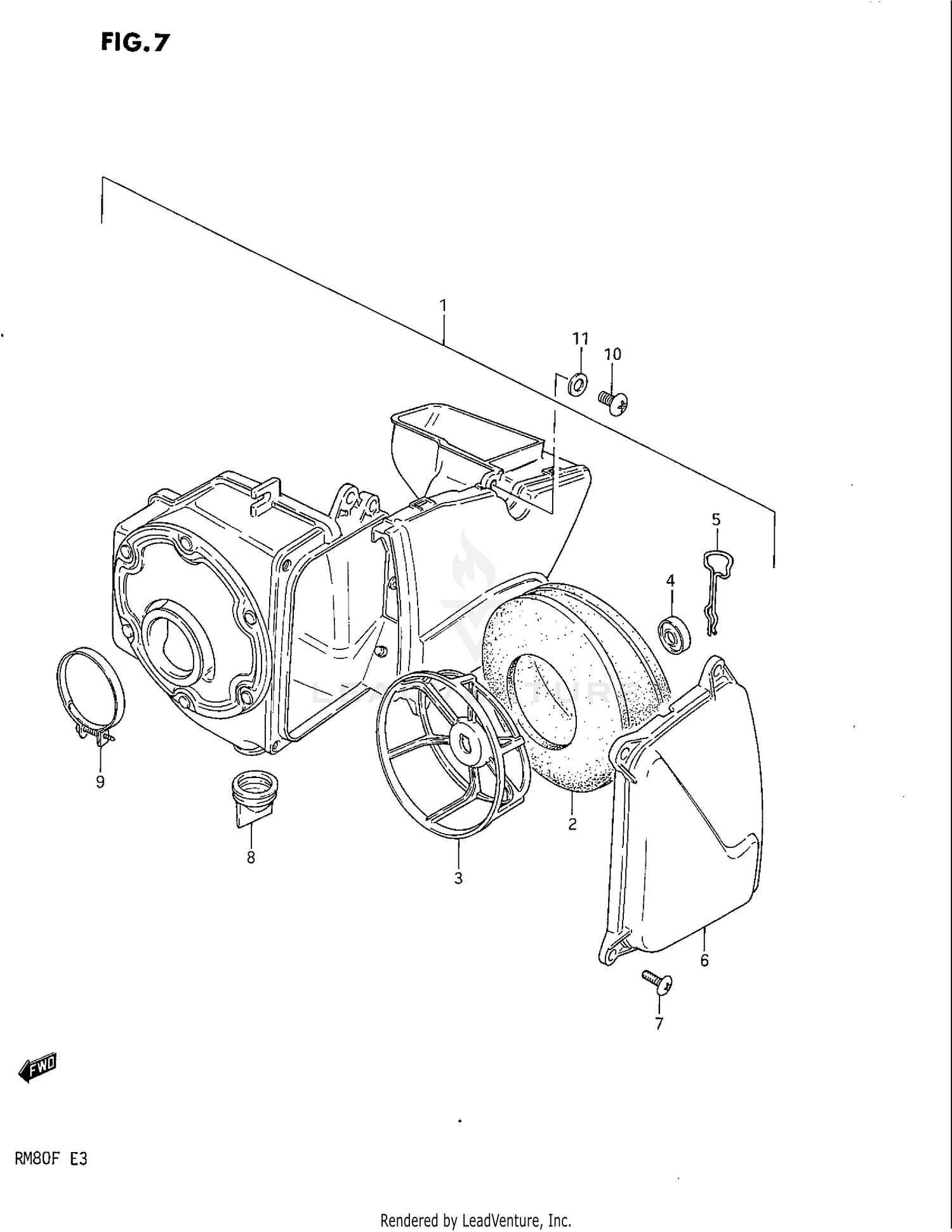
1985 Suzuki RM80 AIR CLEANER

Set this as my ride
AIR CLEANER

WARNING Cancer and Reproductive Harm www.P65Warnings.ca.gov.

  • # Part Retail Our Price
    Stock Status Suggested Quantity
  • 1
    13700-20451 cleaner assy, air MODEL D Supersedes: 13700-20450 (CLEANER ASSY, AIR)
    This part is currently unavailable.
  • 1
    13700-20451 cleaner assy, air MODEL E/F; Includes Item(s) 2 - 9
    This part is currently unavailable.
  • 2
    13781-20400 filter Retail: $27.71 Price: $26.05
    Expected to Ship in 4-9 Days
  • 3
    13791-20400 holder, filter
    This part is currently unavailable.
  • 4
    In Stock
  • 5
    In Stock
  • 6
    13740-20400 cap
    This part is currently unavailable.
  • 7
    02142-0512A .screw Supersedes: 02142-05124 (SCREW) Price: $1.90
    In Stock
  • 8
    13873-18900 .tube, drain MODEL D Supersedes: 13873-20410 (.TUBE,DRAIN)
    This part is currently unavailable.
  • 8
    13873-18900 .tube, drain MODEL E/F
    This part is currently unavailable.
  • 9
    09402-50306 clamp Price: $6.77
    Expected to Ship in 4-9 Days
  • 10
    02142-06127 screw Supersedes: 02142-06128 (SCREW) Price: $1.93
    In Stock
  • 11
    09160-06084 washer Supersedes: 09160-06006 (WASHER (6.5X18X1.6)) Price: $2.47
    In Stock
Added to your cart
CLOSE