Kickstart your Riding Season with Bike Prep and Riding Gear Shop Now
CLOSE
Shipping to US Flag United States
Free shipping over $79
Moto Madness Sale | Get Up To 65% Off Parts & Gear Shop Now

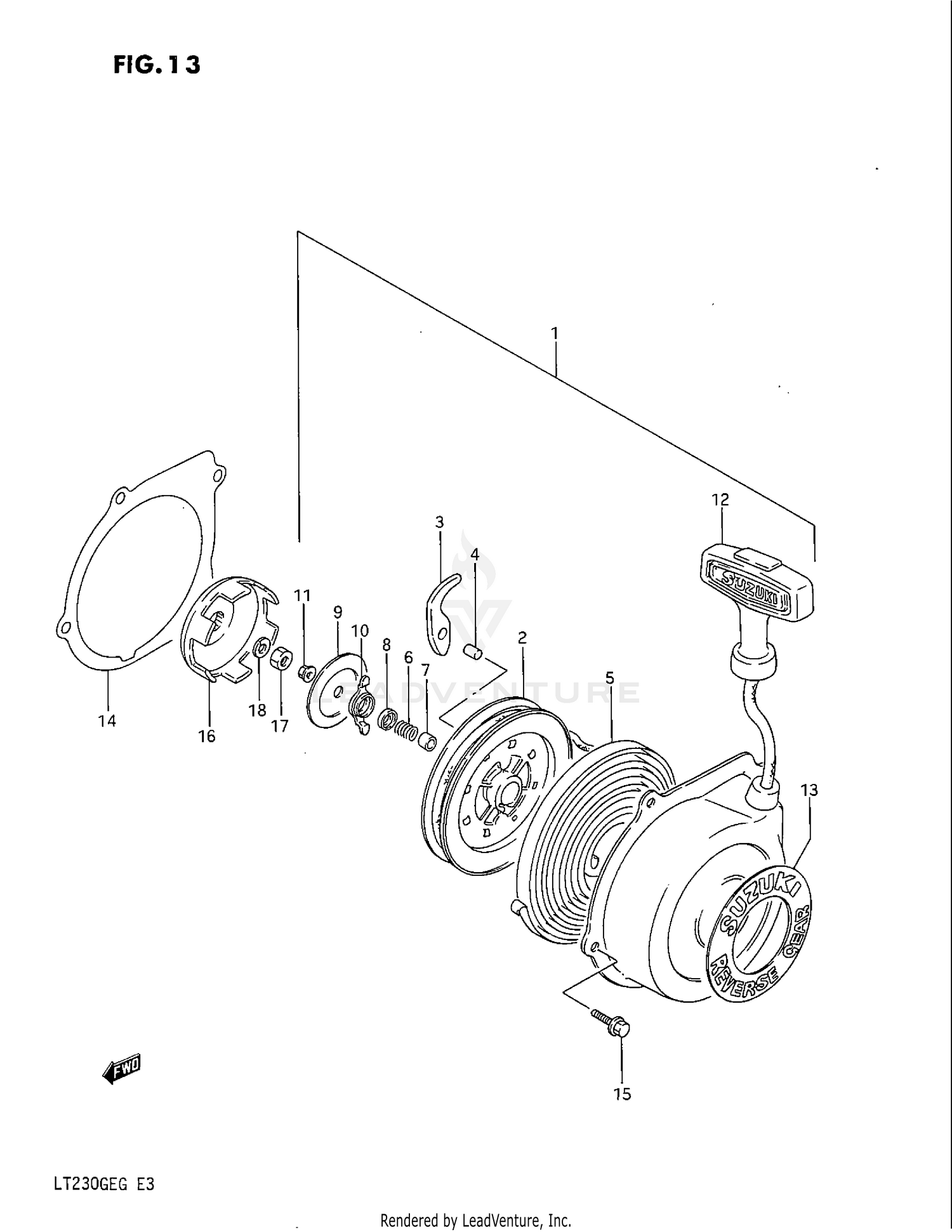
1985 Suzuki LT230GE QUADRUNNER RECOIL STARTER

Set this as my ride
RECOIL STARTER

WARNING Cancer and Reproductive Harm www.P65Warnings.ca.gov.

  • # Part Retail Our Price
    Stock Status Suggested Quantity
  • 1
    18100-18A11 no description available MODEL F Supersedes: 18100-18A01 (STARTER ASSY, RECOIL)
    This part is currently unavailable.
  • 1
    18100-18A11 no description available MODEL G; Includes Item(s) 2 - 13 Supersedes: 18100-18A10 (STARTER ASSY, RECOIL)
    This part is currently unavailable.
  • 2
    18120-24400 reel Retail: $45.66 Price: $42.92
    Expected to Ship in 4-9 Days
  • 3
    18131-24411 ratchet Price: $10.10
    Expected to Ship in 4-9 Days
  • 4
    18344-24400 pin, ratchet
    This part is currently unavailable.
  • 5
    18142-24400 .spring,spiral Retail: $36.56 Price: $34.37
    Expected to Ship in 4-9 Days
  • 6
    18153-24400 spring, friction
    This part is currently unavailable.
  • 7
    18176-24400 shaft, sub
    This part is currently unavailable.
  • 8
    18275-24400 cover, spring
    This part is currently unavailable.
  • 9
    18130-24400 ratchet set Supersedes: 18151-24400 (PLATE, FRICTION) Retail: $21.54 Price: $20.25
    Expected to Ship in 4-9 Days
  • 10
    Expected to Ship in 4-9 Days
  • 11
    08316-1006B nut Supersedes: 08316-16064 (NUT) Price: $3.47
    In Stock
  • 12
    18200-24400 rope assy Retail: $43.54 Price: $40.93
    Expected to Ship in 4-9 Days
  • 13
    68398-24410 emblem Supersedes: 68398-244A0-97V (EMBLEM) Retail: $17.56 Price: $16.51
    Expected to Ship in 4-9 Days
  • 14
    In Stock
  • 15
    01547-06127 bolt, exhaust drain Supersedes: 01547-06125 (BOLT) Price: $2.32
    In Stock
  • 16
    18411-18A03 cup, starter Supersedes: 18411-18A01 (CUP, STARTER)
    This part is currently unavailable.
  • 17
    08310-00107 nut Supersedes: 08310-12108 (NUT) Price: $3.04
    Expected to Ship in 4-9 Days
  • 18
    08321-01107 lock washer Supersedes: 08321-21108 (LOCK WASHER) Price: $2.55
    Expected to Ship in 4-9 Days
Added to your cart
CLOSE