Acerbis Plastic Kits Starting At $119.99 Shop Now
CLOSE
Shipping to US Flag United States
Free shipping over $79
Fast Cash Week Ends Tomorrow | Earn $10 When you Spend $99 + $25 When You Spend $199 Shop Now

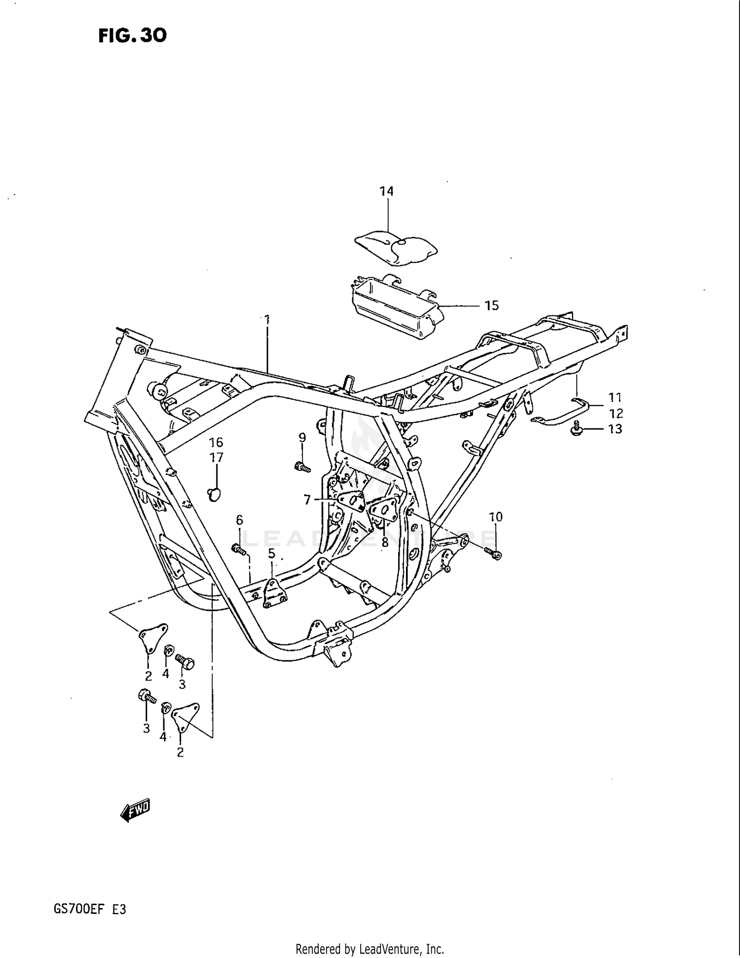
1985 Suzuki GS700E FRAME

Set this as my ride
FRAME

WARNING Cancer and Reproductive Harm www.P65Warnings.ca.gov.

  • # Part Retail Our Price
    Stock Status Suggested Quantity
  • 1
    41100-31352-291 no description available Supersedes: 41100-31351-291 (FRAME (BLACK))
    This part is currently unavailable.
  • 2
    41911-31300-291 plate, no.1 (black)
    This part is currently unavailable.
  • 3
    01500-0816B plug, drain Supersedes: 01107-08165 (PLUG, DRAIN) Price: $3.47
    In Stock
  • 4
    08321-0108A lock washer Supersedes: 08321-21084 (LOCK WASHER) Price: $2.55
    In Stock
  • 5
    41930-31300-291 plate, no.2 rh (black)
    This part is currently unavailable.
  • 6
    07130-0840B bolt Supersedes: 07130-08403 (BOLT) Price: $5.55
    Expected to Ship in 4-9 Days
  • 7
    41970-31300-291 plate, no.4 rh (black)
    This part is currently unavailable.
  • 8
    41980-31300-291 plate, no.4 lh (black) Retail: $11.47 Price: $10.78
    Expected to Ship in 4-9 Days
  • 9
    07130-0835B bolt Supersedes: 07110-08355 (BOLT) Price: $5.55
    Expected to Ship in 4-9 Days
  • 10
    07130-0825B bolt Supersedes: 07130-08253 (BOLT, SPEED ROTOR) Price: $4.72
    In Stock
  • 11
    41610-31301 grip, frame handle rh
    This part is currently unavailable.
  • 12
    41620-31301 grip, frame handle lh
    This part is currently unavailable.
  • 13
    01550-0816A bolt (8x16) Supersedes: 01517-08165 (BOLT) Price: $3.21
    Expected to Ship in 4-9 Days
  • 14
    09800-21073 tool assy Supersedes: 09800-00257 (TOOL SET) Retail: $101.73 Price: $86.47
    Expected to Ship in 4-9 Days
  • 15
    47431-31301 holder, tool
    This part is currently unavailable.
  • 16
    09250-05007 plug Price: $2.88
    Expected to Ship in 4-9 Days
  • 17
    09250-06005 plug Supersedes: 09250-06001 (PLUG, POSS) Price: $2.61
    Expected to Ship in 4-9 Days
Added to your cart
CLOSE