HOT DEAL! 100% | Up To 40% Off Shop Now
CLOSE
Shipping to US Flag United States
Free shipping over $79
Spring Sale Bargain Bin Save 40% - 90% Off! Shop Now

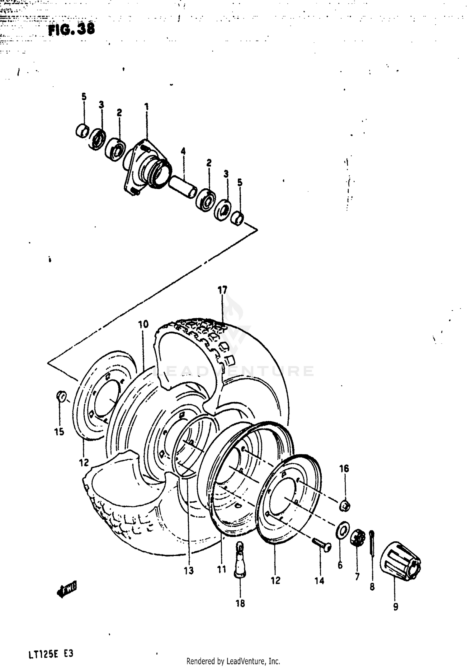
1983 Suzuki LT125 QUADRUNNER FRONT WHEEL (MODEL E)

Set this as my ride
FRONT WHEEL (MODEL E)

WARNING Cancer and Reproductive Harm www.P65Warnings.ca.gov.

  • # Part Retail Our Price
    Stock Status Suggested Quantity
  • 1
    54110-18912 no description available Supersedes: 54110-18910 (HUB, FRONT)
    This part is currently unavailable.
  • 2
    08120-62037 bearing Retail: $26.01 Price: $24.45
    Expected to Ship in 4-9 Days
  • 3
    09284-22002 dust seal Retail: $17.13 Price: $16.10
    Expected to Ship in 4-9 Days
  • 4
    54731-18900 spacer, front hub
    This part is currently unavailable.
  • 5
    54741-189A0 spacer, front axle Supersedes: 54741-18900 (SPACER, FRONT AXLE) Price: $9.71
    In Stock
  • 6
    08322-01167 washer Supersedes: 08322-11168 (WASHER) Price: $2.70
    Expected to Ship in 4-9 Days
  • 7
    08314-4016A nut, hub Supersedes: 08314-41168 (NUT, HUB) Price: $5.38
    Expected to Ship in 4-9 Days
  • 8
    04111-4030A cotter pin Supersedes: 04111-40308 (PIN) Price: $1.90
    In Stock
  • 9
    54725-18A00 cap, wheel, center Supersedes: 54725-24500 (CAP, WHEEL, CENTER) Retail: $12.71 Price: $11.95
    Expected to Ship in 4-9 Days
  • 10
    55312-18911-13T no description available Supersedes: 55312-18910-13T (RIM, WHEEL, INNER)
    This part is currently unavailable.
  • 11
    55313-18911-13T no description available Supersedes: 55313-18910-13T (RIM, WHEEL, OUTER)
    This part is currently unavailable.
  • 12
    55317-18911-13T no description available Supersedes: 55317-18910-13T (PLATE, WHEEL RIM)
    This part is currently unavailable.
  • 13
    55315-24200 basket, wheel rim
    This part is currently unavailable.
  • 14
    09107-08003 bolt, wheel set
    This part is currently unavailable.
  • 15
    08316-1010B nut, clutch housing Supersedes: 08316-10103 (NUT) Price: $3.69
    In Stock
  • 16
    08316-10087 nut (chrome) Supersedes: 08316-16086 (NUT, RIM SET) Price: $3.13
    In Stock
  • 17
    55100-18955 tire (20x7.00-8) DUNLOP
    This part is currently unavailable.
  • 18
    43130-78030 valve assy, wheel rim Supersedes: 43130-75150 (VALVE ASSY, WHEEL TR413) Retail: $11.76 Price: $11.05
    Expected to Ship in 4-9 Days
Added to your cart
CLOSE