Kickstart your Riding Season with Bike Prep and Riding Gear Shop Now
CLOSE
Shipping to US Flag United States
Free shipping over $79
My Ride: 2001 Kawasaki KX500
Moto Madness Sale | Get Up To 65% Off Parts & Gear Shop Now

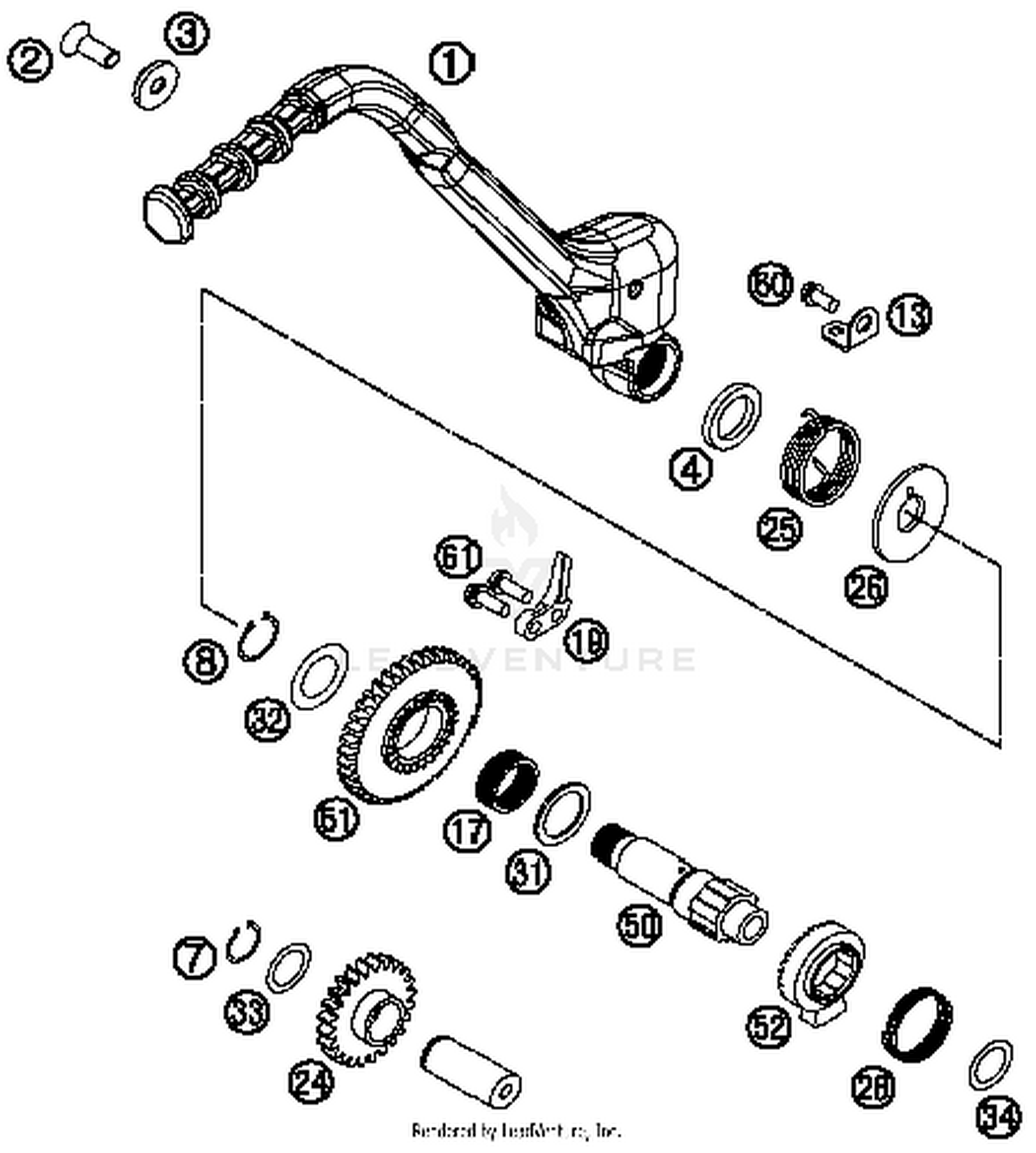
2014 KTM 250XCW Kick Starter

Set this as my ride
Kick Starter

WARNING Cancer and Reproductive Harm www.P65Warnings.ca.gov.

Added to your cart
CLOSE