LUCKY YOU! Extra 10% Off Clearance | Use Code POTOGOLD10 Limited Time! Ends 3/21 Shop Now
CLOSE
Shipping to US Flag United States
Free shipping over $79
My Ride: 2000 Honda CBR929RR
Moto Madness Sale | Get Up To 65% Off Parts & Gear Shop Now

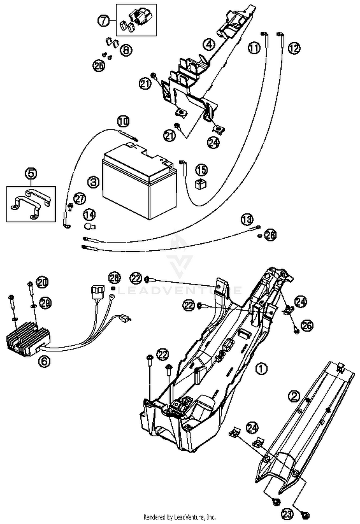
2014 KTM 1190 RC8-R Battery

Set this as my ride
Battery

WARNING Cancer and Reproductive Harm www.P65Warnings.ca.gov.

Added to your cart
CLOSE