HOT DEAL! Galfer | Up To 25% Off Shop Now
CLOSE
Shipping to US Flag United States
Free shipping over $79
Moto Madness Sale | Get Up To 65% Off Parts & Gear Shop Now

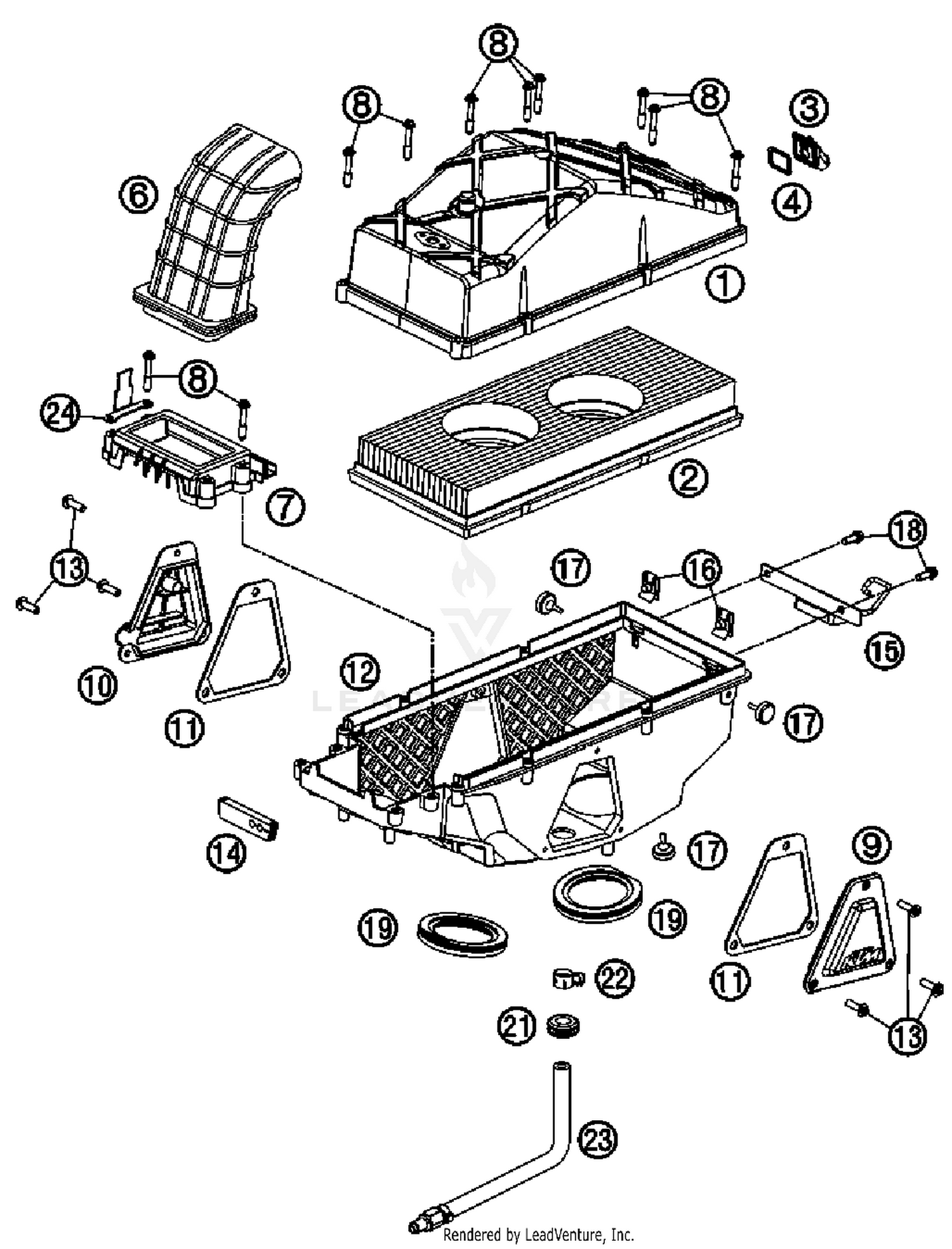
2011 KTM 990 ADVENTURE R Air Filter Box

Set this as my ride
Air Filter Box

WARNING Cancer and Reproductive Harm www.P65Warnings.ca.gov.

Added to your cart
CLOSE