Kickstart your Riding Season with Bike Prep and Riding Gear Shop Now
CLOSE
Shipping to US Flag United States
Free shipping over $79
My Ride: 2007 Yamaha RHINO 660
Moto Madness Sale | Get Up To 65% Off Parts & Gear Shop Now

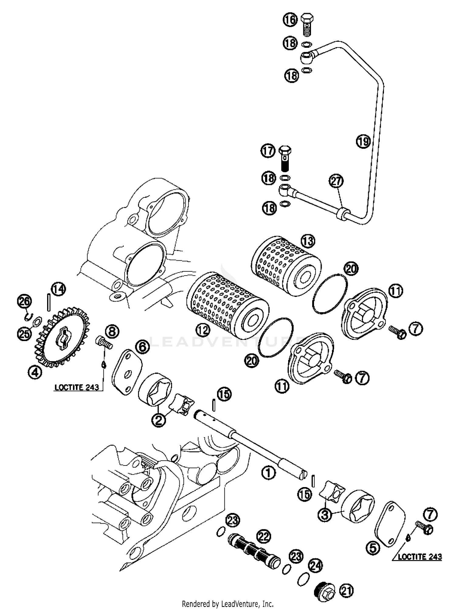
2008 KTM 525XC-ATV Lubricating System

Set this as my ride
Lubricating System

WARNING Cancer and Reproductive Harm www.P65Warnings.ca.gov.

Added to your cart
CLOSE