FMF Exhausts Up To 10% Off Shop Now
CLOSE
Shipping to US Flag United States
Free shipping over $79
Bargain Bin Blowout Ends Tomorrow! | Save 40-90% Off! Shop Now

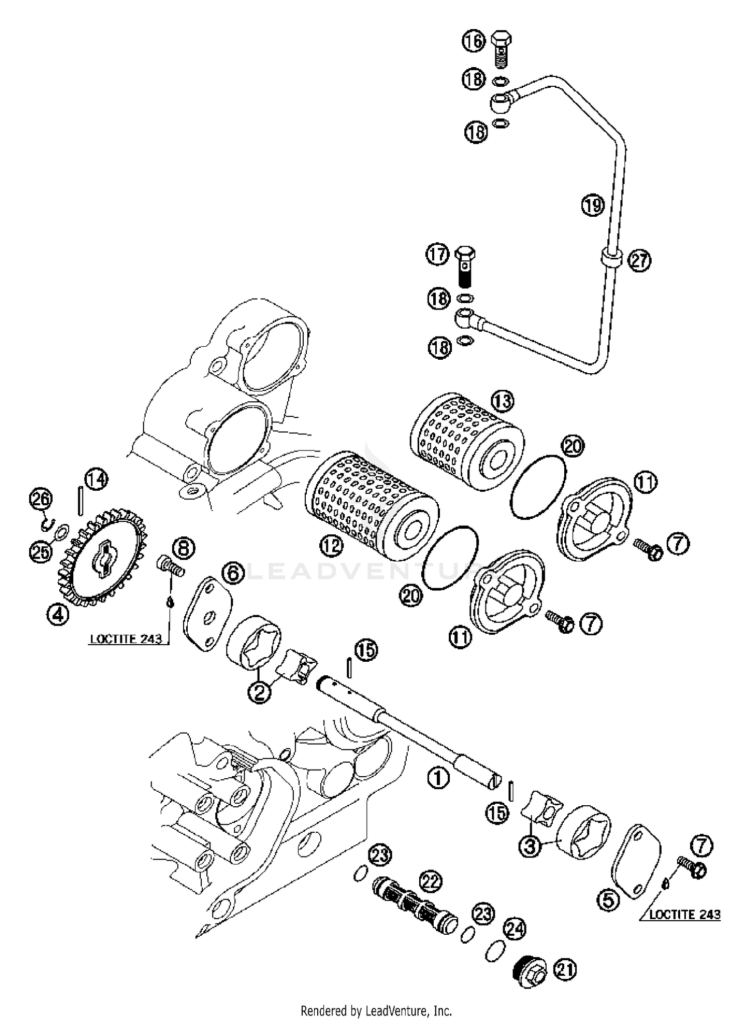
2007 KTM 525XCW Lubricating System

Set this as my ride
Lubricating System

WARNING Cancer and Reproductive Harm www.P65Warnings.ca.gov.

Added to your cart
CLOSE